- Partiron
- OEM Parts
- Honda
- MOTORCYCLE
- 1969
- Z50AA (69) MOTORCYCLE, JPN, VIN# Z50A-100001 TO Z50A-120087
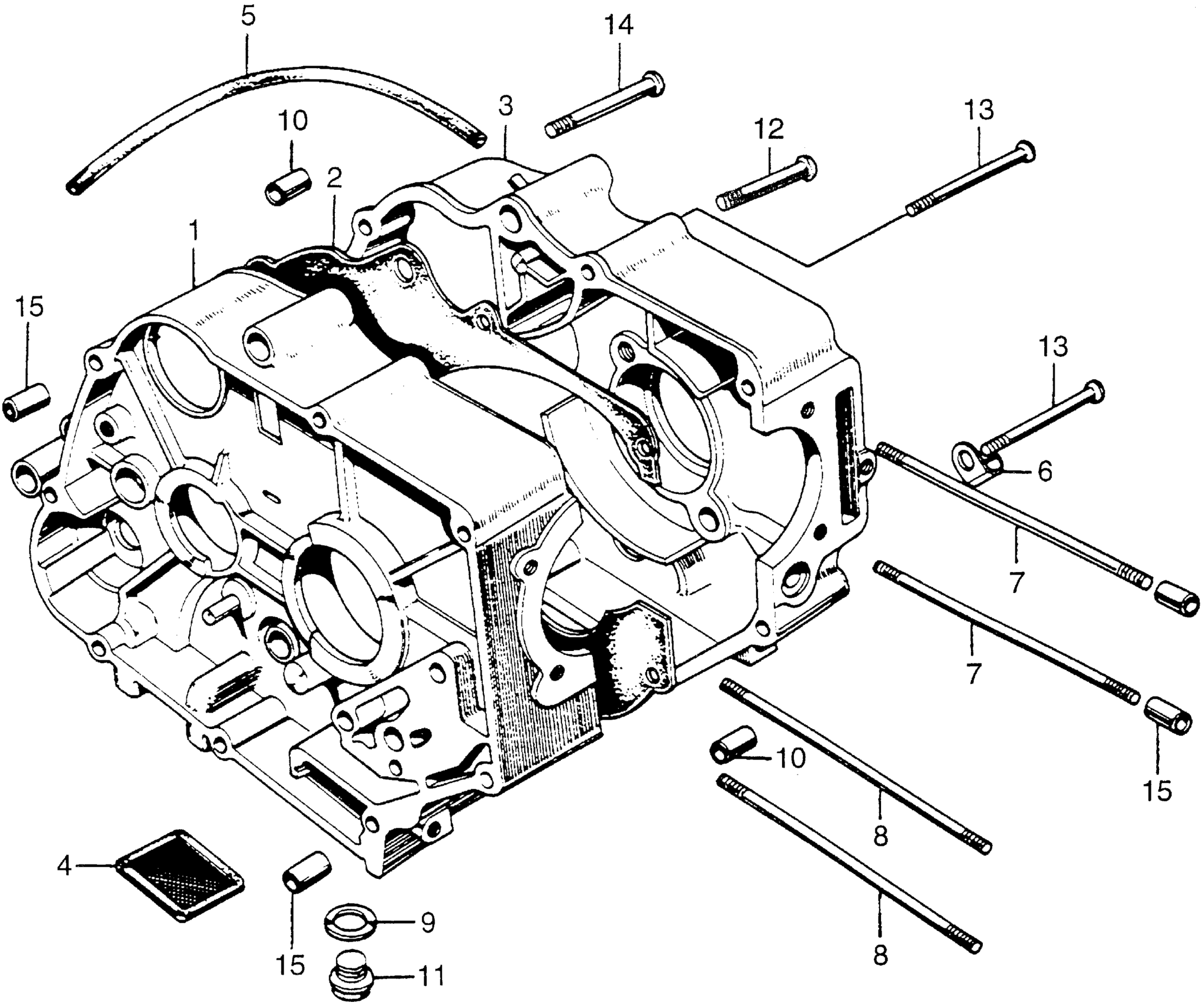
CRANKCASE
Honda Z50AA (69) MOTORCYCLE, JPN, VIN# Z50A-100001 TO Z50A-120087 CRANKCASE Diagram
#
Description
Price
1
CRANKCASE, R. (NOT AVAILABLE) This part replaces 11100-045-000.
11100-045-010
Unavailable
1
CRANKCASE, R. (NOT AVAILABLE)
11100-045-010
Unavailable
2
GASKET, CRANKCASE This part replaces 11191-035-050.
11191-035-070
Unavailable
2
GASKET, CRANKCASE This part replaces 11191-035-060.
11191-035-070
Unavailable
3
CRANKCASE, L. (NOT AVAILABLE)
11200-045-050
Unavailable
5
TUBE (5.5X350) This part replaces 15761-045-000.
95001-55000-40
Unavailable
5
TUBE (5.5X350) This part replaces 95001-50000.
95001-55000-40
Unavailable
5
TUBE (5.5X350) This part replaces 95001-50000-90.
95001-55000-40
Unavailable
6
CLAMP, OVERFLOW TUBE (NOT AVAILABLE) | Use up to Engine SN 255950.
16236-045-000
Unavailable
