Partiron

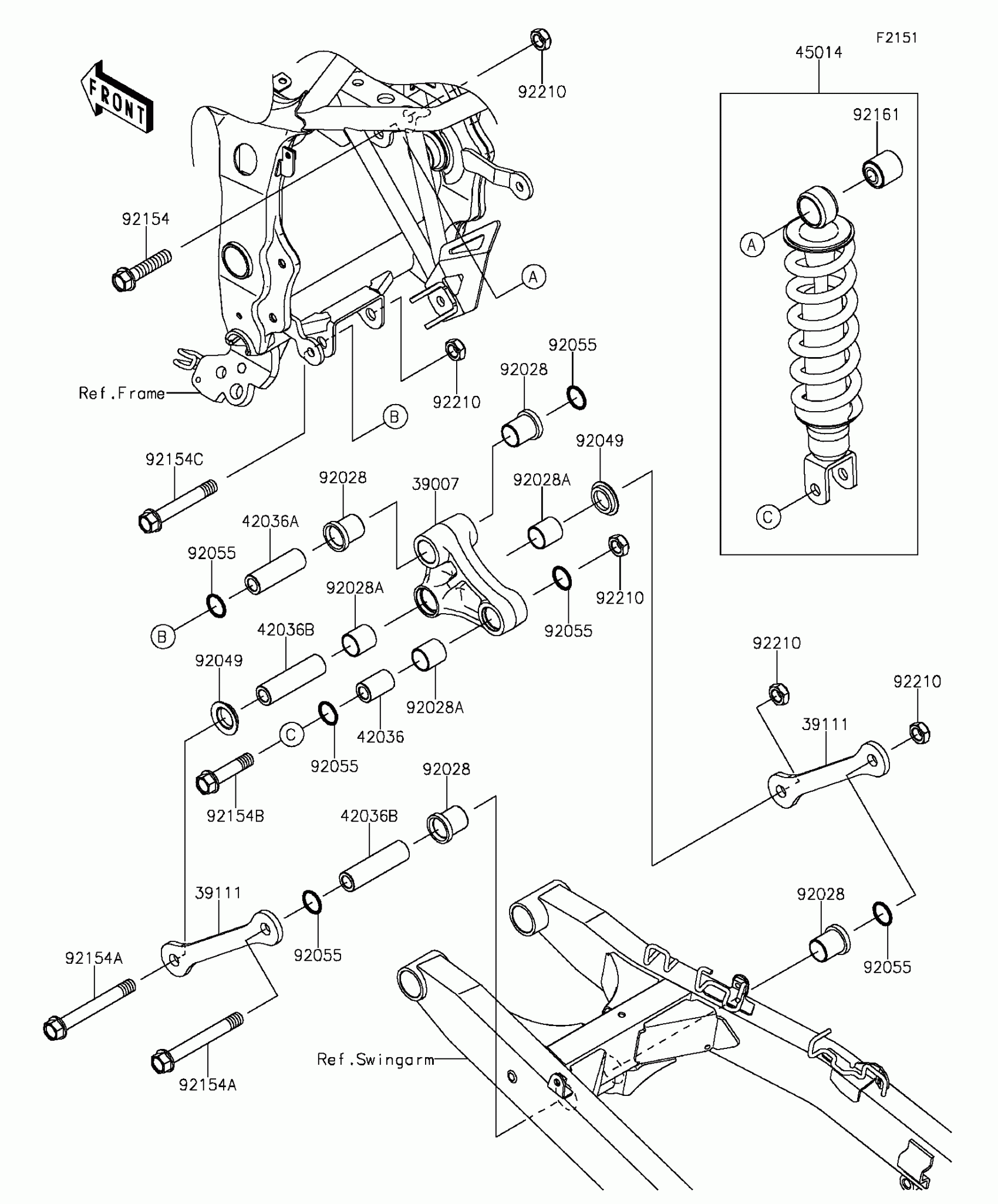
Kawasaki Z250SL Suspension/Shock Absorber Diagram

#

Description
Price

39007

ARM-SUSP,UNI TRAK

39007-0376

$128.32

39111

ROD-TIE,SUSPENSION

39111-0327

$34.98

42036

SLEEVE,12.1X20X32

42036-1077

$16.69

42036A

SLEEVE,ARM,FR

42036-1078

$25.27

42036B

SLEEVE,12.1X20X74

42036-1102

$28.72

45014

SHOCKABSORBER,P.WHITE

45014-0430-EH

$702.13

92028

BUSHING

92028-1597

$7.36

92028A

BUSHING

92028-1598

$5.08

92049

SEAL-OIL,ARM

92049-1109

$9.28

92055

RING-O,19.8X2.2

92055-0732

$1.19

92154

BOLT,FLANGED,12X55

92154-0362

$4.10

92154A

BOLT,FLANGED,12X98

92154-0941

$12.92

92154B

BOLT,FLANGED,12X52

92154-0942

$8.30

92154C

BOLT,FLANGED,12X80

92154-1308

$11.00

92161

DAMPER,12.1X17X30

92161-1510

$29.33

92210

NUT,LOCK,12MM

92210-1247

$7.71