- Partiron
- OEM Parts
- Kawasaki
- motorcycle
- 2018
- Z250SL ABS
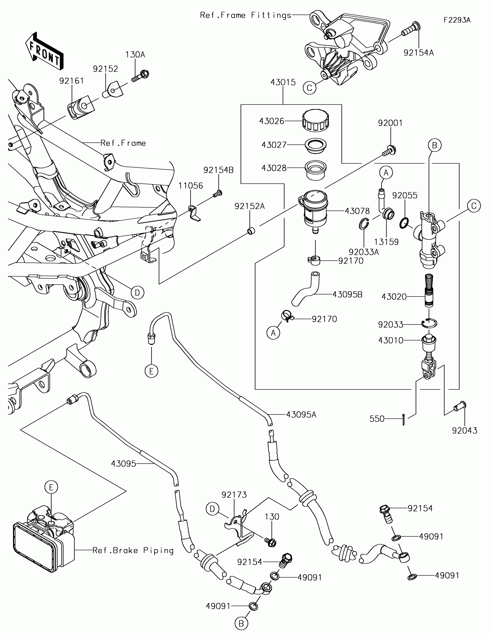
Rear Master Cylinder(FGF-FJF)
Kawasaki Z250SL ABS Rear Master Cylinder(FGF-FJF) Diagram
#
Description
Price
92001
BOLT,6X18
92001-1342
Unavailable
