Partiron

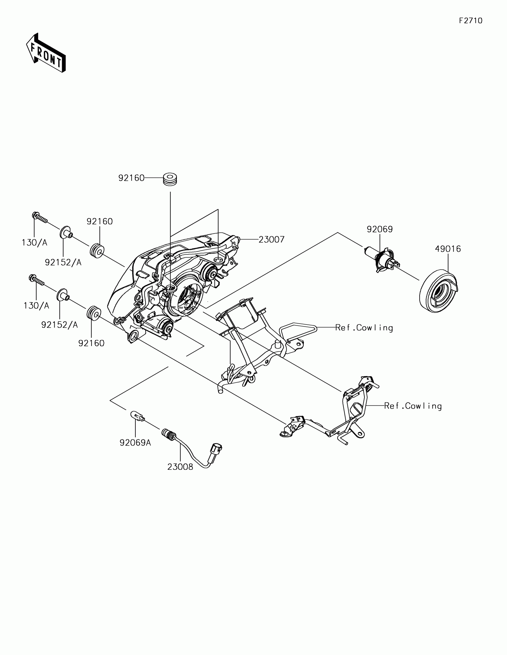
Kawasaki Z250SL ABS Headlight(s) Diagram

#

Description
Price

130A

BOLT-FLANGED,6X25

130BB0625

$2.80

23007

LENS-COMP

23007-0186

$410.95

23008

SOCKET-ASSY

23008-0154

$91.19

49016

COVER-SEAL

49016-0628

$7.66

92069

BULB,12V,H4

92069-0077

$19.53

92069A

BULB,12V 5W

92069-0081

$15.95

92152A

COLLAR,6.8X10X15.3

92152-1985

$3.63

92160

DAMPER

92160-1162

$5.00