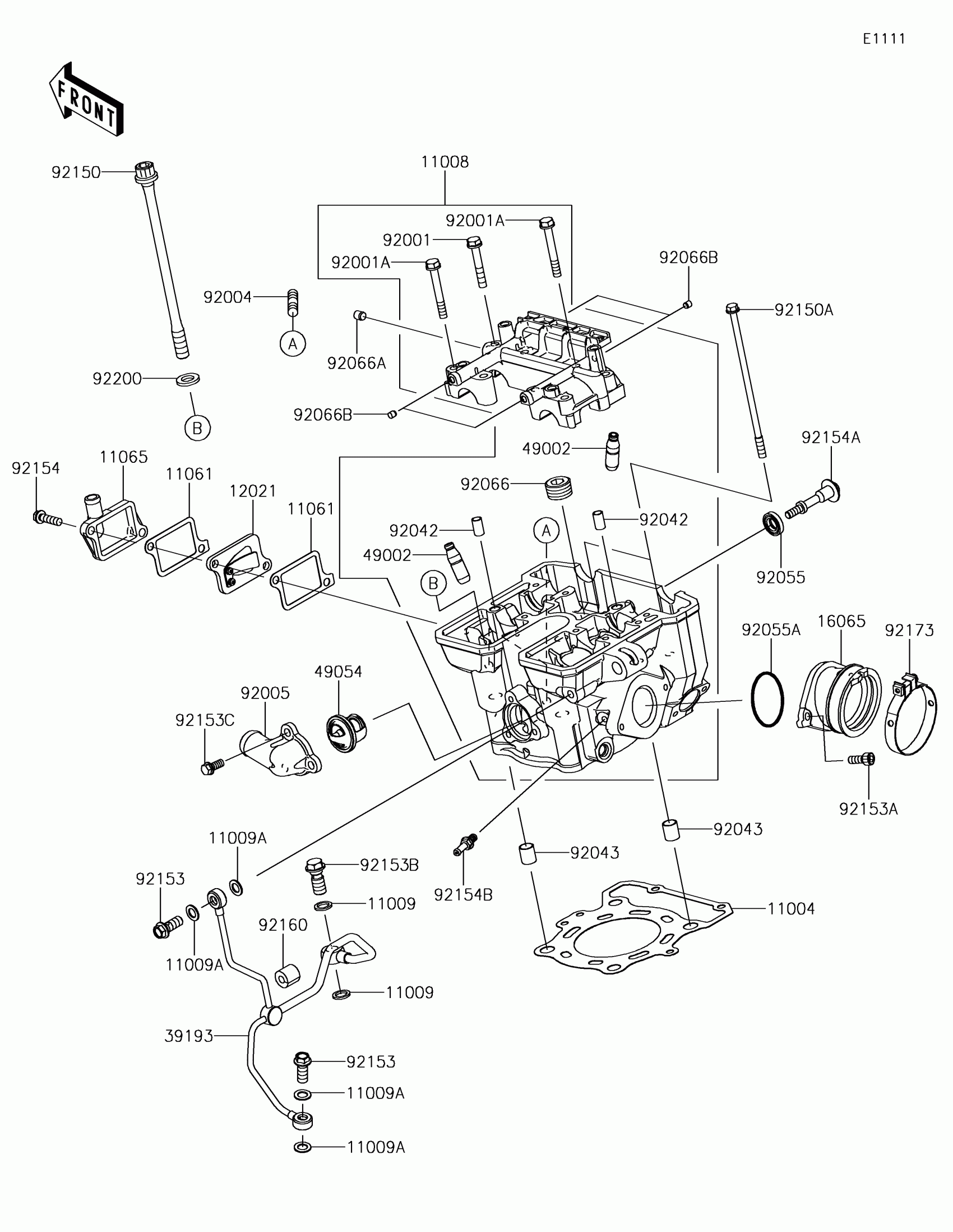
Partiron

Kawasaki Z250SL ABS Cylinder Head Diagram

#

Description
Price

11004

GASKET-HEAD

11004-1249

$46.85

11008

HEAD-COMP-CYLINDER

11008-0810

$936.98

11009

GASKET,10X14.5X1.5

11009-1105

$6.51

11009A

GASKET,8.2X14X1.0

11009-1344

$3.17

11061

GASKET,REED VALVE

11061-0890

$3.96

11065

CAP

11065-0293

$27.10

12021

VALVE-ASSY-REED

12021-1115

$48.19

16065

HOLDER-CARBURETOR

16065-0125

$53.27

39193

PIPE-OIL

39193-0580

$111.60

49002

GUIDE-VALVE

49002-1126

$34.20

49054

THERMOSTAT

49054-1053

$54.56

92001

BOLT,FLANGED,6X38

92001-1105

$4.69

92001A

BOLT,6X46

92001-1872

$4.31

92004

STUD,8X25

92004-0731

$4.14

92005

FITTING

92005-0778

$29.85

92042

PIN,DOWEL,6.3X8X14

92042-007

$5.70

92043

PIN,10.1X12X14

92043-4009

$6.22

92055

RING-O,HEAD COVER BOLT

92055-0195

$10.05

92055A

RING-O,42X1.9

92055-1536

$2.78

92066

PLUG,PT1/2X12.5

92066-0002

$8.98

92066A

PLUG,OIL LINE,7.2X8

92066-1012

$6.51

92066B

PLUG

92066-1213

$4.74

92150

BOLT,10X165

92150-1368

$18.89

92150A

BOLT,6X135

92150-1552

$7.34

92153

BOLT,BANJO,8X20

92153-0651

$11.20

92153A

BOLT,SOCKET,6X16

92153-1344

$2.97

92153B

BOLT,BANJO,10X23

92153-1345

$10.30

92153C

BOLT

92153-1805

$2.61

92154

BOLT,FLANGED,6X22

92154-0504

$1.94

92154A

BOLT

92154-1230

$6.75

92154B

BOLT

92154-1248

$16.25

92160

DAMPER,6.3X15X14

92160-1523

$2.70

92173

CLAMP,58MM

92173-0927

$14.34

92200

WASHER,10.5X19X2.3

92200-1042

$3.92