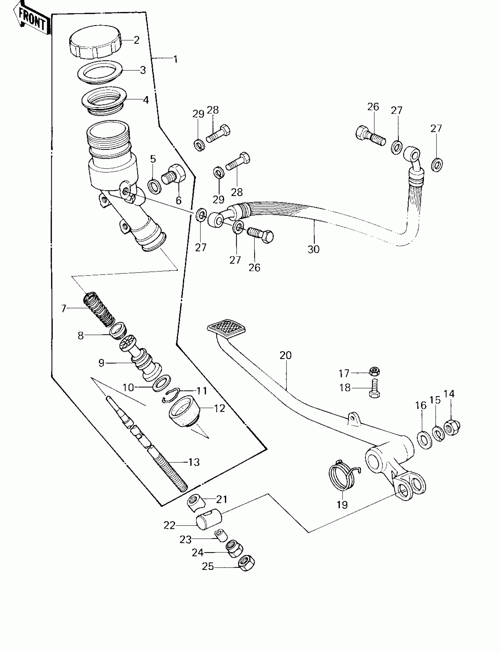
Kawasaki Z1R REAR MASTER CYLINDER/BRAKE PEDAL ('78 D1 Diagram
#
Description
Price
1
CYLINDER ASY,MAST,RR
43015-1013
Unavailable
2
CAP,OIL CUP
43026-004
Unavailable
3
PLATE-MASTER CYLINDE
43027-001
Unavailable
4
DIAPHRAGM
43028-003
Unavailable
5
'O'RING
43079-002
Unavailable
13
ROD,BRAKE
43011-1006
Unavailable
19
SPRING,BRAKE PEDAL
92081-1046
Unavailable
20
PEDAL,BRAKE
43001-1014
Unavailable
21
COLLAR,BRAKE ROD
92027-1065
Unavailable
22
PIN,BRAKE ROD
92043-1016
Unavailable
23
COLLAR,BRAKE ROD
92027-1065
Unavailable
24
NUT,LOCK,10M/M
92015-1027
Unavailable
28
BOLT,FLANGED,8X35
92001-1577
Unavailable
30
HOSE,REAR MASTER
43059-1006
Unavailable
