Partiron

Kawasaki Z125 PRO Valve(s) Diagram

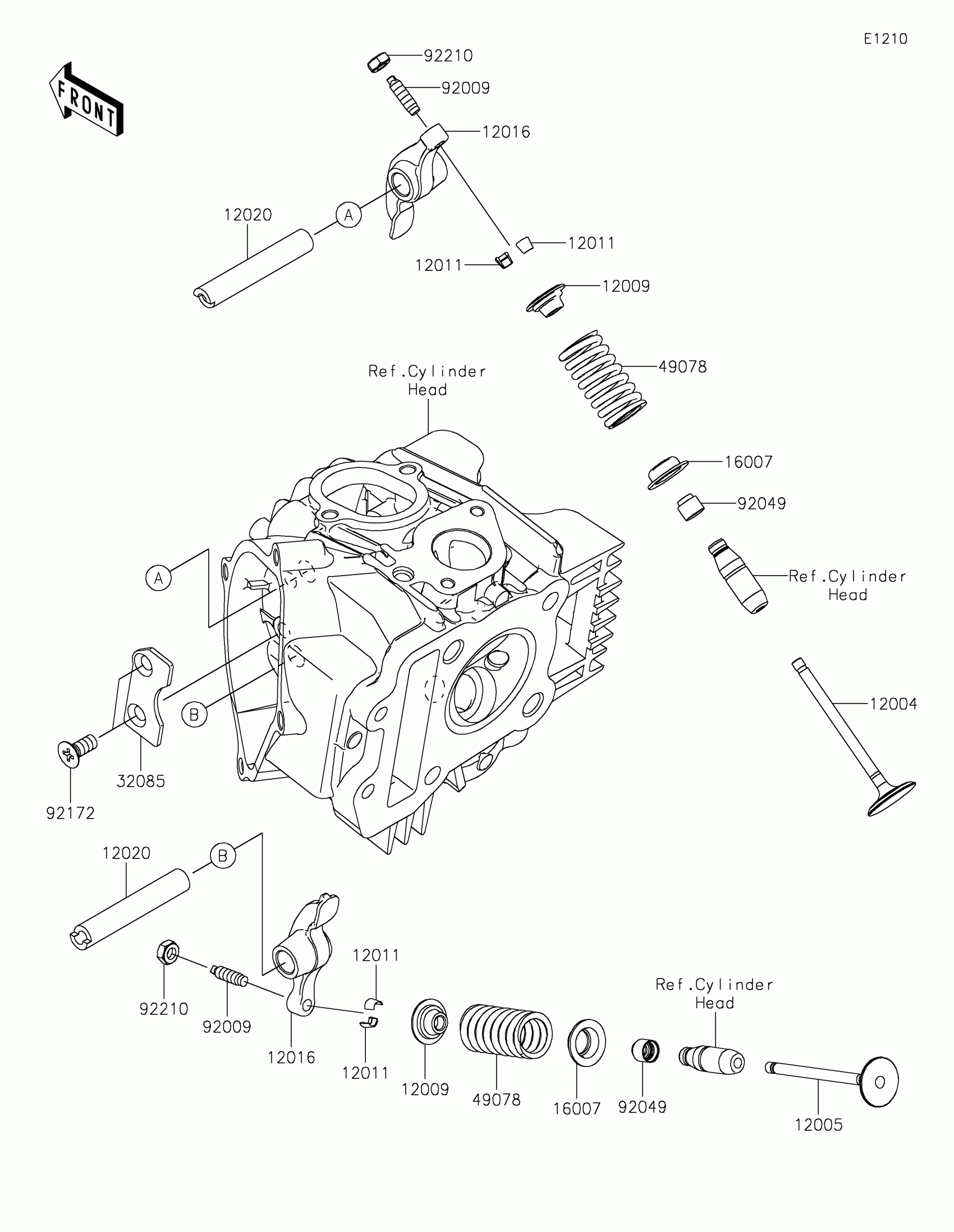
#

Description
Price

12004

VALVE-INTAKE

12004-0710

$23.99

12005

VALVE-EXHAUST

12005-0713

$20.36

12009

RETAINER-VALVE SPRING

12009-1073

$10.65

12011

COLLET

12011-1053

$5.46

12016

ARM-ROCKER

12016-0001

$39.84

12020

SHAFT-ROCKER

12020-0010

$20.83

16007

SEAT-SPRING,VALVE

16007-1187

$3.67

32085

STOPPER

32085-1553

$4.36

49078

SPRING-ENGINE VALVE

49078-1151

$7.50

92009

SCREW,VALVE ADJUST

92009-1109

$2.29

92049

SEAL-OIL,VSB 4.3 7.5 5.3 8.3

92049-1349

$11.53

92172

SCREW,6X15

92172-0143

$2.55

92210

NUT,VALVE ADJUST LOCK

92210-1491

$1.00