Partiron

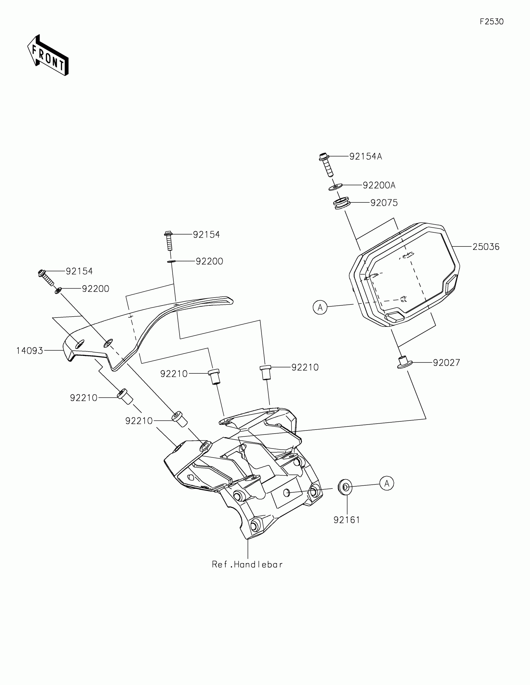
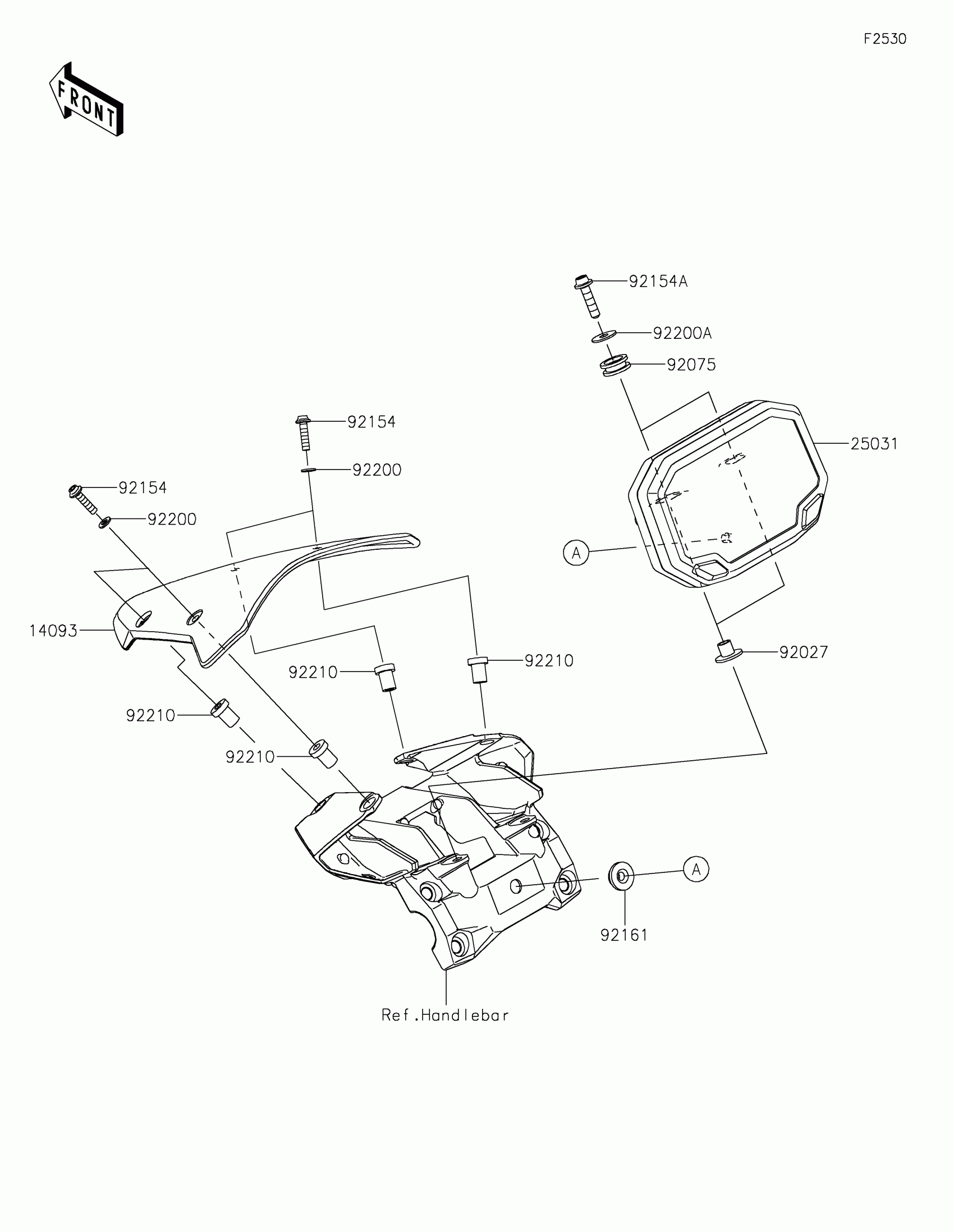
Kawasaki Z H2 SE Meter(s) Diagram

#

Description
Price

14093

COVER,METER

14093-0970

$132.88

25031

METER-ASSY,TFT DISPLAY

25031-0969

$1,388.74

92027

COLLAR

92027-194

$5.52

92075

DAMPER

92075-1634

$4.69

92154

BOLT,SOCKET,5X20

92154-0919

Unavailable

92154A

BOLT,SOCKET,6X25

92154-2826

$3.21

92161

DAMPER,6X20X7.5

92161-1937

$1.94

92200

WASHER,5.2X10X1.0

92200-1820

$0.63

92200A

WASHER,6.2X18X1.2

92200-1889

$0.72

92210

NUT,5MM

92210-0001

$6.18