Partiron

Kawasaki Z H2 SE Cylinder Head Diagram

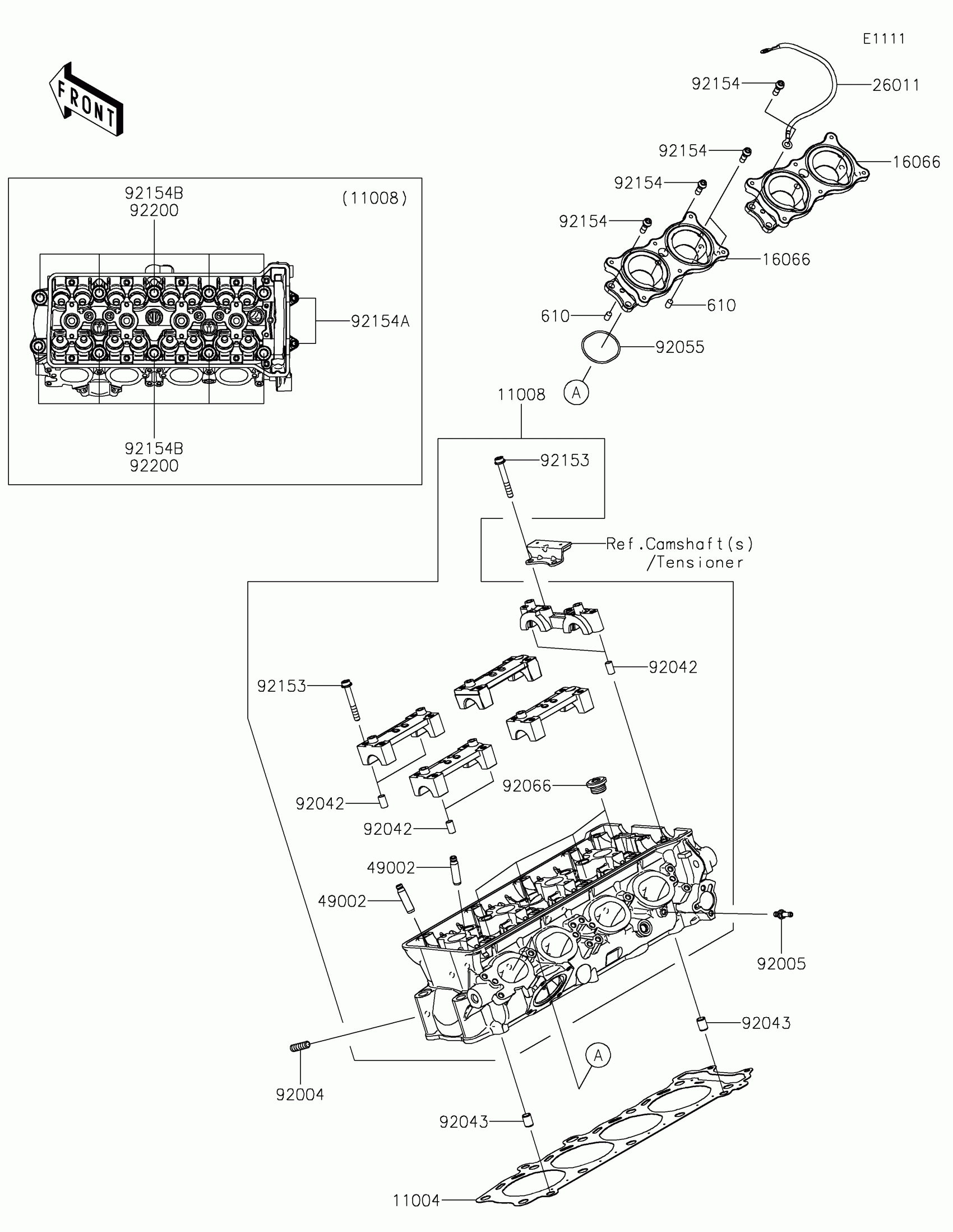
#

Description
Price

11004

GASKET-HEAD

11004-0754

$146.44

11008

HEAD-COMP-CYLINDER

11008-0980

$2,682.36

16066

HOLDER-THROTTLE BODY

16066-0009

$115.93

26011

WIRE-LEAD

26011-1982

$14.32

49002

GUIDE-VALVE

49002-0009

$34.18

610

ROLLER,6X10

610A0610

$1.48

92004

STUD,8X18

92004-0049

$5.60

92005

FITTING

92005-0826

$10.21

92042

PIN,DOWEL,6.3X8X14

92042-007

$5.70

92043

PIN,8.2X10X14

92043-1264

$0.64

92055

RING-O,43.7X1.9

92055-1401

$13.75

92066

PLUG,18X10

92066-0832

$12.90

92153

BOLT,SOCKET,6X45

92153-0656

$2.55

92154

BOLT,SOCKET,6X18

92154-1455

$1.48

92154A

BOLT,SOCKET,6X25

92154-1457

$1.48

92154B

BOLT,11X103

92154-1819

$22.76

92200

WASHER,11.2X18.2X1.8

92200-0940

$3.26