Partiron

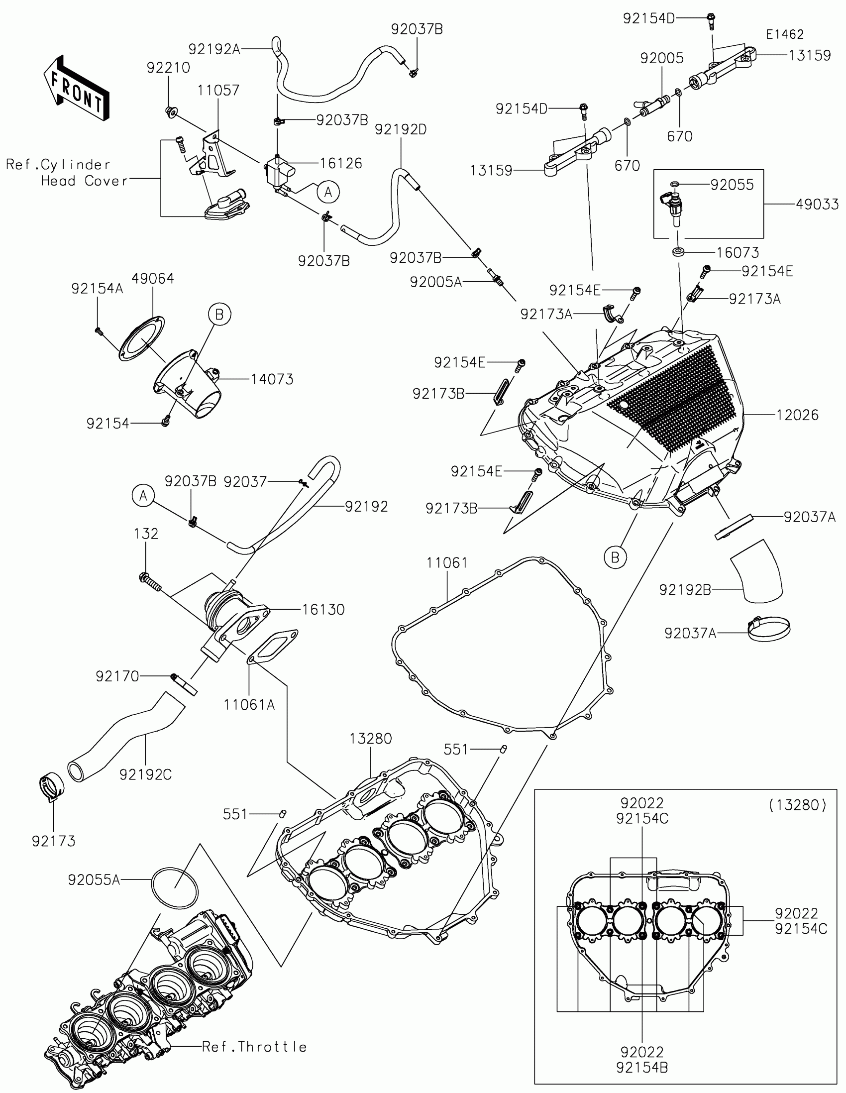
Kawasaki Z H2 SE Air Chamber Diagram

#

Description
Price

11057

BRACKET,SOLENOID VALVE

11057-3820

$6.28

11061

GASKET,CHAMBER

11061-0949

$36.37

11061A

GASKET,BLOWOFF VALVE

11061-0950

$3.96

12026

CHAMBER,INTAKE

12026-0023

$638.69

13159

CONNECTOR

13159-0016

$24.31

132

BOLT-FLANGED-SMALL,8X30

132BC0830

$3.90

13280

HOLDER,CHAMBER

13280-0905

$290.56

14073

DUCT,DIFFUSER

14073-0884

$88.77

16073

INSULATOR

16073-0129

$6.00

16126

VALVE,SOLENOID

16126-0751

$80.80

16130

VALVE-ASSY-RELIEF

16130-0010

$468.82

49033

NOZZLE-INJECTION

49033-0565

$132.64

49064

FILTER-AIR

49064-0007

$24.91

551

PIN-DOWEL,6X12

551A0612

$0.94

670

O RING,8MM

670E1508

$1.82

92005

FITTING

92005-0125

$11.34

92005A

FITTING

92005-0826

$10.21

92022

WASHER,5.5X10.5X0.8

92022-037

$3.92

92037

CLAMP,TUBE

92037-147

$7.34

92037A

CLAMP,RESERVE TANK

92037-1586

$12.54

92037B

CLAMP,7.8MM

92037-2116

$1.39

92055

RING-O,INJECTION NOZZLE

92055-0124

$2.97

92055A

RING-O,65.8X3

92055-0815

$11.71

92154

BOLT,SOCKET,5X16

92154-1568

$2.26

92154A

BOLT,TORX,4X10

92154-1790

$2.49

92154B

BOLT,FLANGED,5X14

92154-3884

$2.49

92154C

BOLT,FLANGED,5X95

92154-3886

$7.78

92154D

BOLT,SHOULDER,5X20

92154-3971

$4.20

92154E

BOLT,SOCKET,5X22

92154-4055

$7.78

92170

CLAMP

92170-1036

$8.72

92173

CLAMP,35.5MM

92173-1432

$3.56

92173A

CLAMP

92173-2305

$4.60

92173B

CLAMP

92173-2307

$5.31

92192

TUBE,SOLENOID-BLOWOFF VALVE

92192-1841

$17.64

92192A

TUBE,SOLENOID-THROTTLE BODY

92192-1842

$20.57

92192B

TUBE,DIFFUSER

92192-1865

$111.62

92192C

TUBE,BLOWOFF VALVE-AIR FILTER

92192-2290

$45.11

92192D

TUBE,SOLENOID-CHAMBER

92192-2497

$16.02

92210

NUT,CAP,6MM

92210-0170

$2.90