Partiron

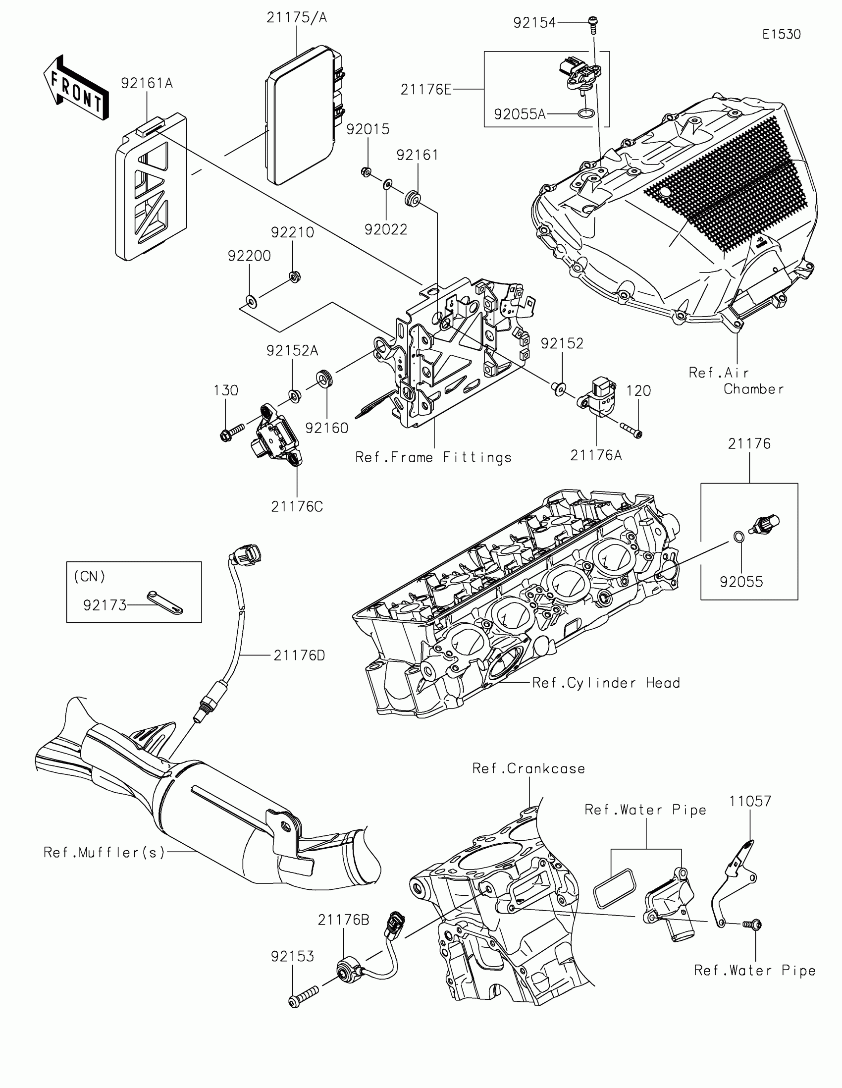
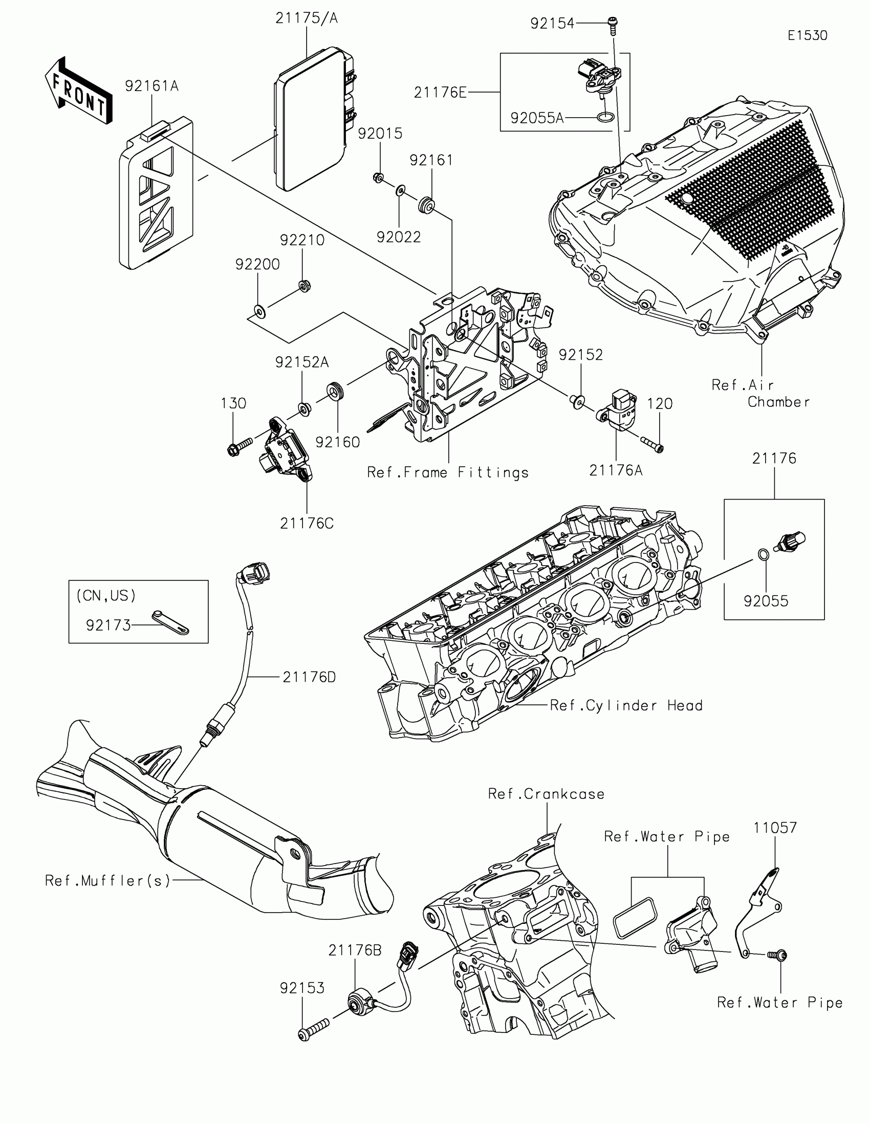
Kawasaki Z H2 Fuel Injection Diagram

#

Description
Price

11057

BRACKET,KNOCK SENSOR

11057-4175

$5.57

120

BOLT-SOCKET,5X25

120R0525

$2.55

130

BOLT-FLANGED,6X25

130BA0625

$1.20

21175A

CONTROL UNIT-ELECTRONIC

21175-1587

$1,167.99

21176

SENSOR,WATER TEMP

21176-0009

$69.24

21176A

SENSOR,VEHICLE-DOWN

21176-0026

$86.97

21176B

SENSOR,KNOCK

21176-0788

$133.37

21176C

SENSOR,INERTIAL

21176-0878

$666.31

21176D

SENSOR,OXYGEN

21176-0938

$235.01

21176E

SENSOR,INTAKE TEMP&PRESSURE

21176-0982

$140.35

92015

NUT,LOCK,FLANGED,5MM

92015-1752

$4.31

92022

WASHER,5.2X13X1

92022-1380

$4.31

92055

RING-O,9.5X1.9

92055-0016

$8.89

92055A

RING-O

92055-0842

$6.63

92152

COLLAR

92152-1625

$9.73

92152A

COLLAR,6.5X16X7.3

92152-2336

$12.83

92153

BOLT,SOCKET,8X35

92153-0419

$3.26

92154

BOLT,SOCKET,5X16

92154-1449

$1.19

92160

DAMPER

92160-1278

$4.39

92161

DAMPER

92161-1187

$2.75

92161A

DAMPER,ECU

92161-2140

$27.22

92173

CLAMP

92173-2198

$1.48

92200

WASHER,6.5X16X1.0

92200-3712

$3.73

92210

NUT,LOCK,FLANGED,6MM

92210-0303

$1.34