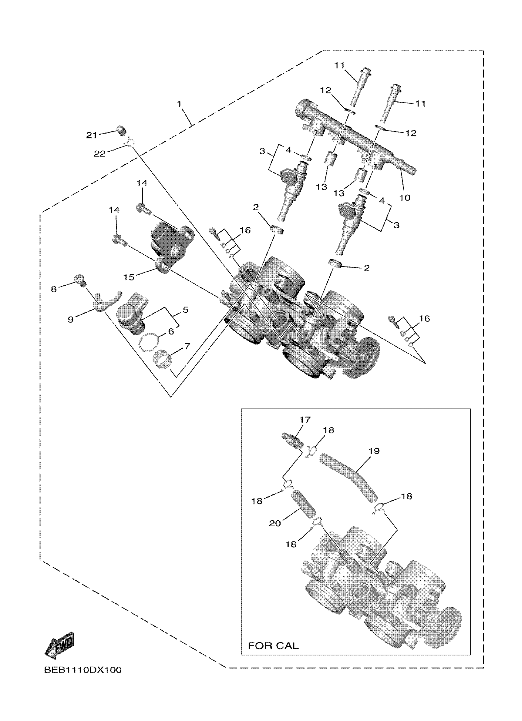
Yamaha YZFR7NL (YZFR7) BEB1 2022 INTAKE 2 Diagram
#
Description
Price
1
THROTTLE BODY ASSY
1WS-13750-01-00
Unavailable
3
INJECTOR
1WS-13761-00-00
Unavailable
7
SPRING, PLUNGER
1WS-14335-00-00
Unavailable
10
PIPE
1WS-13938-00-00
Unavailable
11
BOLT 1
8HG-13573-00-00
Unavailable
15
THROTTLE SENSOR AS
3B4-85885-01-00
Unavailable
16
PILOT SCREW SET
2C0-14105-00-00
Unavailable
21
CAP
895-14169-00-00
Unavailable
22
CLIP, PIPE
8A7-14139-00-00
Unavailable
