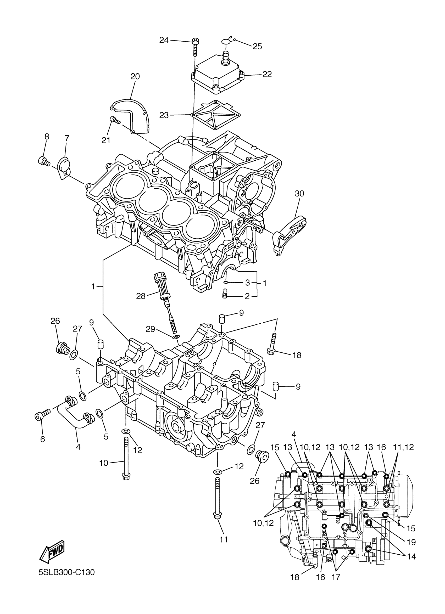
Yamaha YZFR6SVC (YZFR6S CA) 4P62 2006 CRANKCASE Diagram
#
Description
Price
1
CRANKCASE ASSY
5SL-15100-02-00
Unavailable
11
BOLT, FLANGE
90105-086A9-00
Unavailable
16
BOLT, FLANGE
95817-06065-00
Unavailable
17
BOLT, FLANGE
95817-06045-00
Unavailable
18
BOLT, FLANGE
95817-06100-00
Unavailable
19
BOLT, WASHER BASED
90105-06006-00
Unavailable
20
PLATE, BREATHER
5SL-11165-00-00
Unavailable
22
COVER
5VX-15413-01-00
Unavailable
23
GASKET, CRANKCASE COVER 3
5SL-15462-00-00
Unavailable
24
BOLT,SOCKET HEAD
91314-06025-00
Unavailable
25
CLIP (371)
90467-14015-00
Unavailable
26
PLUG
36Y-15189-01-00
Unavailable
27
O-RING(1L9)
93210-16325-00
Unavailable
28
PLUG, OIL LEVEL
5EB-15362-10-00
Unavailable
29
O-RING (1J7)
93210-09350-00
Unavailable
30
GUIDE, INLET
5SL-15377-00-00
Unavailable
