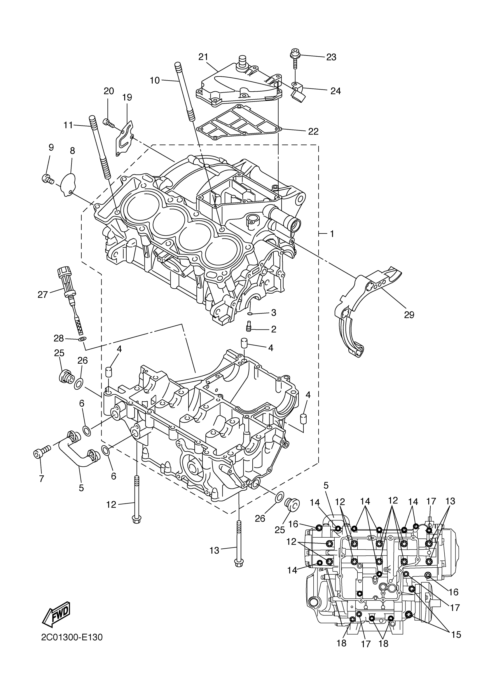
Yamaha YZFR6SPVC (YZFR6 50th Anniversary CA) 2C09 2006 CRANKCASE Diagram
#
Description
Price
1
CRANKCASE ASSY
2C0-15100-08-00
Unavailable
5
PIPE, OIL 2
5VX-13418-00-00
Unavailable
10
BOLT, STUD
90116-10025-00
Unavailable
11
BOLT, STUD
90116-10026-00
Unavailable
13
BOLT, WITH WASHER
90119-08084-00
Unavailable
16
BOLT
90109-06100-00
Unavailable
17
BOLT, FLANGE
95812-06065-00
Unavailable
18
BOLT, FLANGE
95817-06045-00
Unavailable
19
PLATE, BREATHER
2C0-11165-00-00
Unavailable
21
COVER
2C0-15413-01-00
Unavailable
22
GASKET, CRANKCASE COVER 3
2C0-15462-01-00
Unavailable
23
BOLT
90109-06015-00
Unavailable
24
CLAMP 2
2C0-24136-00-00
Unavailable
24
CLAMP 2
2C0-24136-10-00
Unavailable
25
PLUG
36Y-15189-01-00
Unavailable
26
O-RING(1L9)
93210-16325-00
Unavailable
27
PLUG, OIL LEVEL
2C0-15362-00-00
Unavailable
28
O-RING (1J7)
93210-09350-00
Unavailable
29
GUIDE, INLET
BN6-15377-00-00
Unavailable
