- Partiron
- OEM Parts
- Yamaha
- motorcycle
- 2001
- YZFR6NC (YZFR6 CA) 5MT6 2001
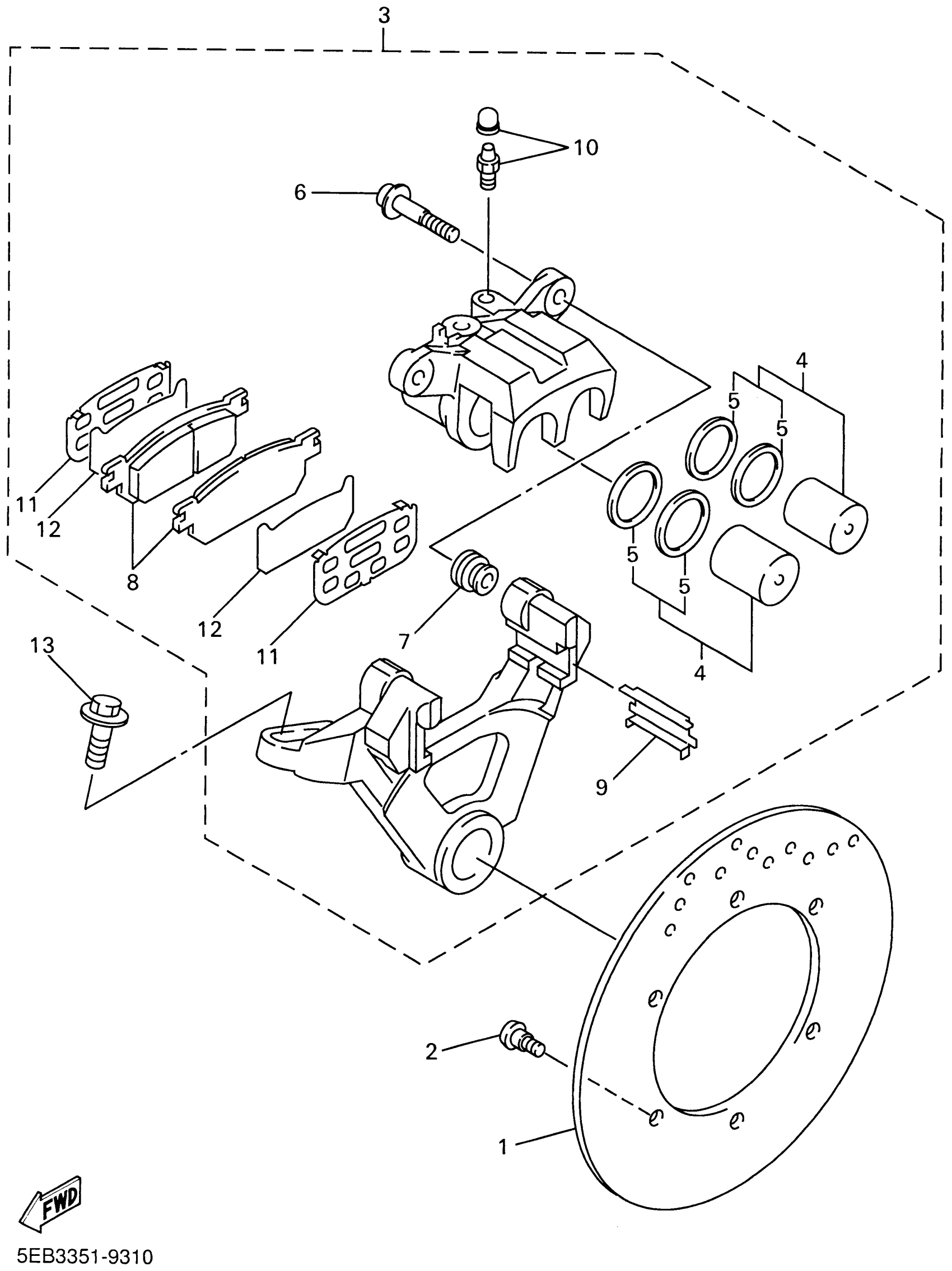
REAR BRAKE CALIPER
Yamaha YZFR6NC (YZFR6 CA) 5MT6 2001 REAR BRAKE CALIPER Diagram
#
Description
Price
1
DISC, REAR BRAKE 2
5EB-2582W-00-00
Unavailable
3
CALIPER ASSY, REAR 2
5EB-2580W-00-00
Unavailable
11
. SHIM, CALIPER
5CG-25828-C0-00
Unavailable
12
SHIM, CALIPER
5EB-25828-00-00
Unavailable
