Partiron

Yamaha YZFR6LC (YZFR6 CA) 5GV12 1999 STARTING MOTOR Diagram

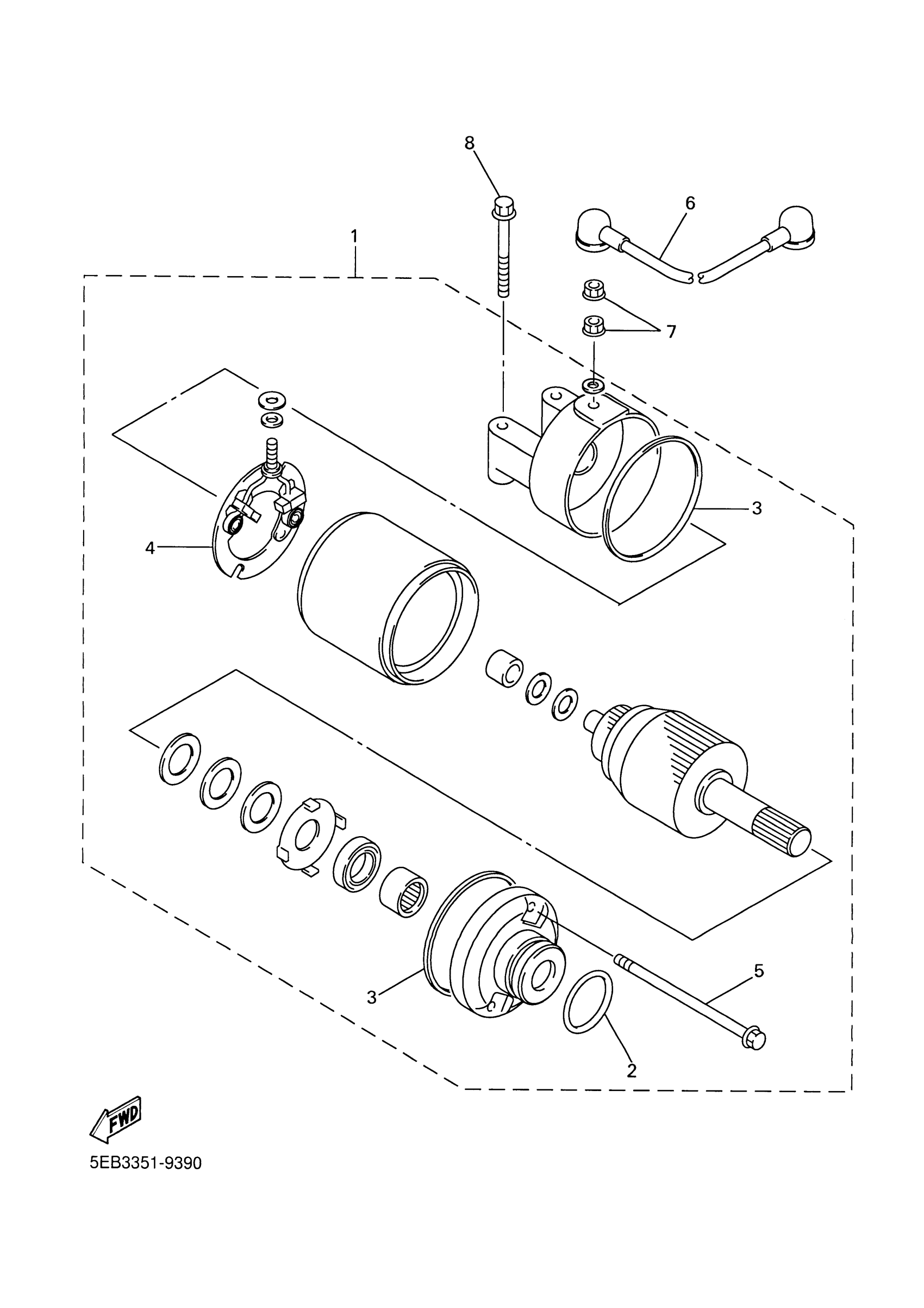
#

Description
Price

1

MOTOR ASSY

5EB-81890-00-00

$582.99

2

O-RING (437)

93210-24235-00

$7.49

3

GASKET

4WP-81844-00-00

$14.49

4

BRUSH SET

4WP-81801-00-00

$85.99

5

BOLT

4WP-81826-00-00

$16.49

6

. CORD, STARTER MOTOR

4XV-81815-00-00

Unavailable

7

NUT

4XV-8182A-00-00

$7.99

8

BOLT, SMALL FLANGE

95027-06040-00

$3.28