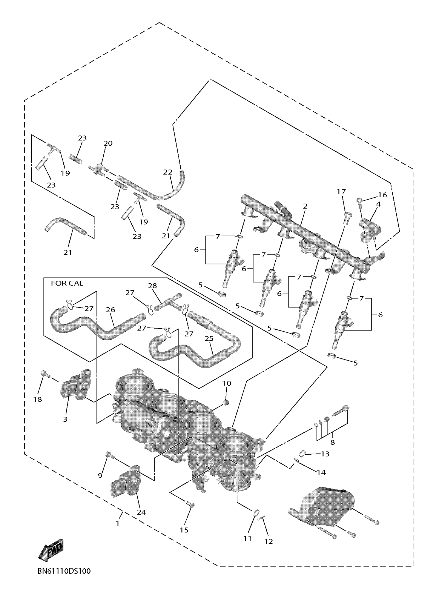
Yamaha YZFR6HW (YZFR6) BN6100 2017 INTAKE 2 Diagram
#
Description
Price
1
THROTTLE BODY ASSY
BN6-13750-01-00
Unavailable
2
PIPE INLET ASSEMBLY
13S-13930-00-00
Unavailable
10
NUT(4CH)
95307-04700-00
Unavailable
16
SCREW
2C0-14216-00-00
Unavailable
17
SCREW, PAN
98517-06012-00
Unavailable
18
SCREW
8CC-14216-10-00
Unavailable
19
. PIPE, JOINT 1
68V-24376-00-00
Unavailable
20
NIPPLE
3XV-14251-00-00
Unavailable
21
. HOSE, VACUUM SENSING 4
68V-13533-00-00
Unavailable
22
HOSE, VACUUM SENSING 3
2C0-13532-00-00
Unavailable
23
PIPE 1
5FL-14348-10-00
Unavailable
24
ACCELERATOR SENSOR
1MC-85884-01-00
Unavailable
