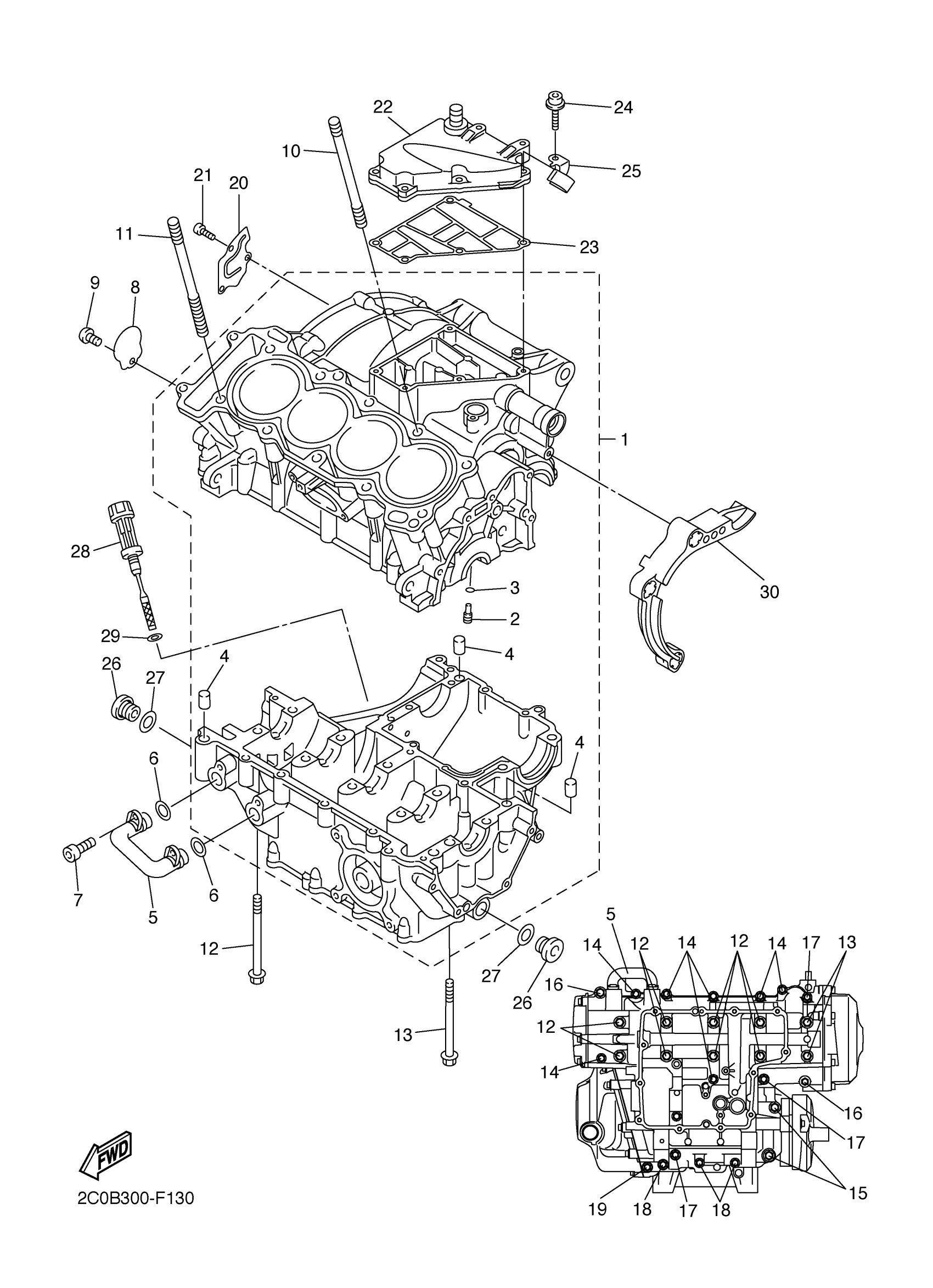
Yamaha YZFR6AR (YZFR6) 1JS5 2011 CRANKCASE Diagram
#
Description
Price
10
BOLT, STUD
90116-10025-00
Unavailable
11
BOLT, STUD
90116-10026-00
Unavailable
13
BOLT, WITH WASHER
90119-08084-00
Unavailable
16
BOLT
90109-06100-00
Unavailable
17
BOLT, FLANGE
95812-06065-00
Unavailable
18
BOLT, FLANGE
95817-06045-00
Unavailable
19
BOLT, FLANGE
95812-06030-00
Unavailable
20
PLATE, BREATHER
2C0-11165-00-00
Unavailable
22
COVER
2C0-15413-02-00
Unavailable
23
GASKET, CRANKCASE COVER 3
2C0-15462-01-00
Unavailable
24
BOLT, HEXAGON SOCKET HEAD
90110-06387-00
Unavailable
25
CLAMP 2
2C0-24136-00-00
Unavailable
26
PLUG
36Y-15189-01-00
Unavailable
27
O-RING(1L9)
93210-16325-00
Unavailable
28
PLUG, OIL LEVEL
2C0-15362-00-00
Unavailable
29
O-RING (1J7)
93210-09350-00
Unavailable
30
GUIDE, INLET
BN6-15377-00-00
Unavailable
