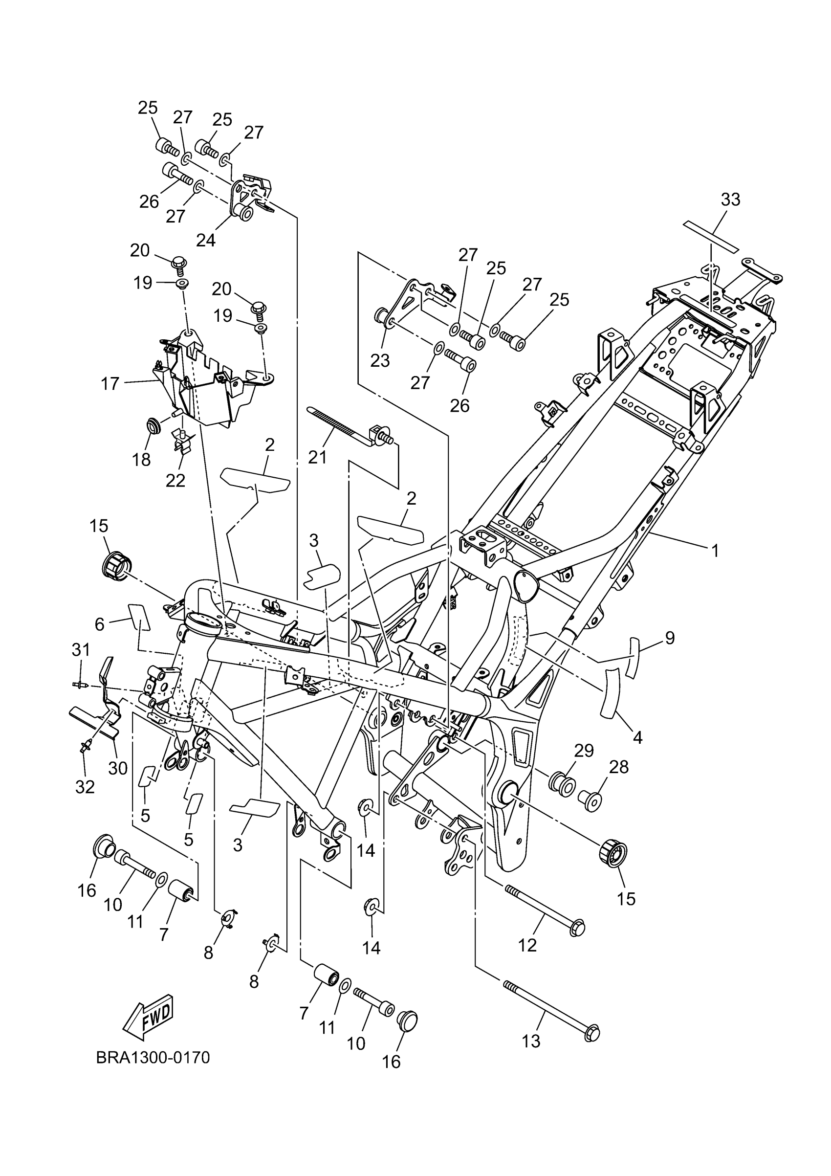
Yamaha YZFR3ASW (YZFR3 ABS) BRA22 2025 FRAME Diagram
#
Description
Price
1
FRAME COMP.
BRA-F1110-00-00
Unavailable
8
PLATE 1
1WD-F191B-00-00
Unavailable
9
SEAL 2
BK6-F414E-00-00
Unavailable
11
WASHER, PLATE
90201-10854-00
Unavailable
14
NUT (1S72,5C81)
90179-10805-00
Unavailable
16
PLUG
90338-23801-00
Unavailable
17
BOX
1WD-F1171-00-00
Unavailable
18
GROMMET
90480-13014-00
Unavailable
19
COLLAR
90387-07819-00
Unavailable
20
BOLT, FLANGE DEEP RECESS
95E32-06014-00
Unavailable
21
CLAMP
90464-30009-00
Unavailable
22
CLAMP
90464-12015-00
Unavailable
23
STAY 1
BRA-F122A-00-00
Unavailable
24
STAY 2
BRA-F122B-00-00
Unavailable
25
BOLT, SOCKET
91317-10020-00
Unavailable
26
BOLT, SOCKET
91317-10045-00
Unavailable
27
WASHER(6TA)
92907-10600-00
Unavailable
28
COLLAR
90387-08812-00
Unavailable
29
DAMPER, FOOTREST 2
4XV-27424-00-00
Unavailable
30
BRACKET 5
BS7-F612N-00-00
Unavailable
31
RIVET
90269-05008-00
Unavailable
32
RIVET
90269-07007-00
Unavailable
33
SEAL 2
2DS-F414E-00-00
Unavailable
