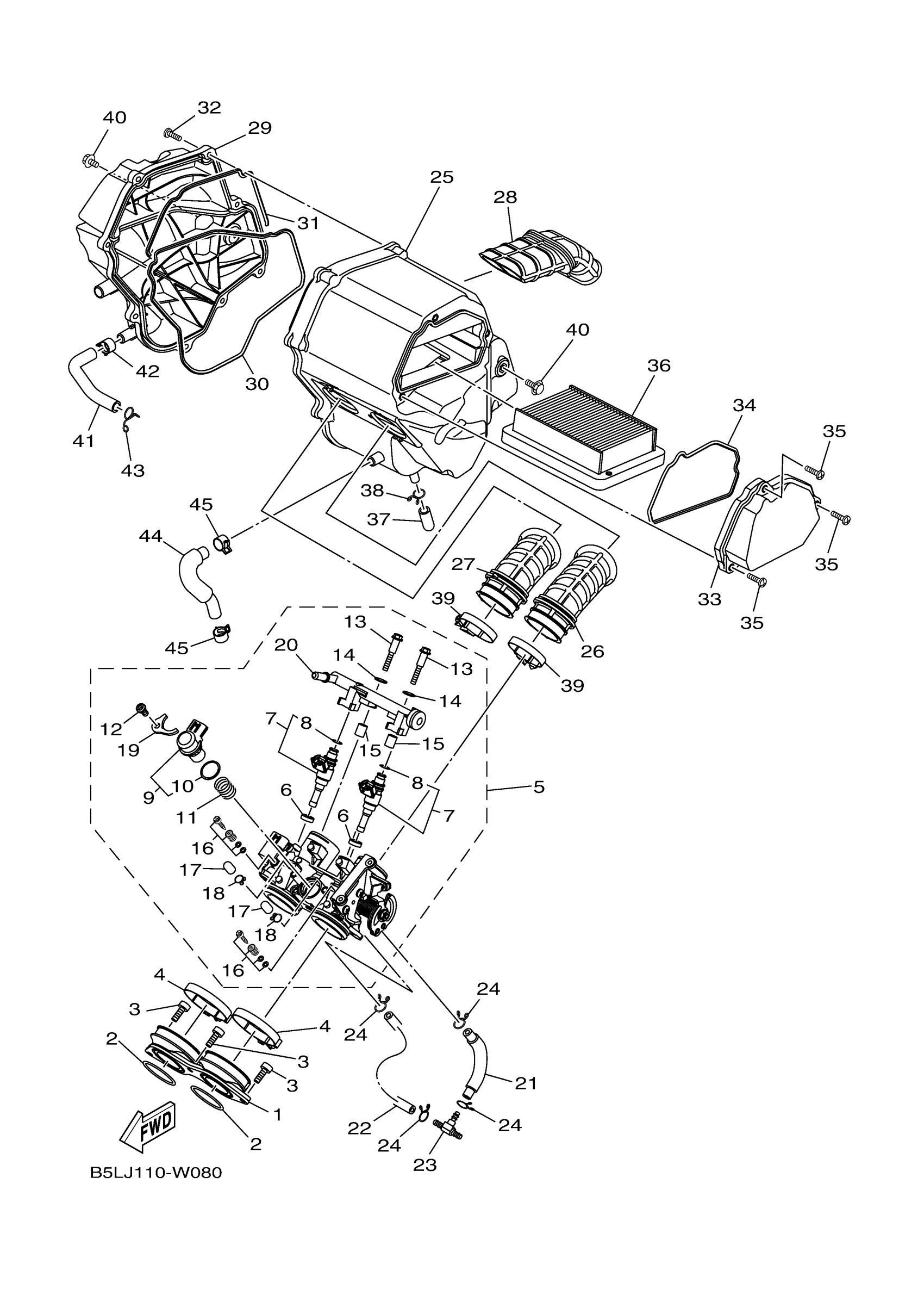
Yamaha YZFR3AMT (YZFR3 ABS) B5LL1 2021 INTAKE Diagram
#
3
BOLT
91332-06016-00
Unavailable
4
HOSE CLAMP ASSY
90450-55804-00
Unavailable
11
SPRING, PLUNGER
1WS-14335-00-00
Unavailable
16
AIR SCREW SET
5JW-14104-00-00
Unavailable
17
CAP
895-14169-00-00
Unavailable
18
CLIP, PIPE
8A7-14139-00-00
Unavailable
19
. PLATE
1WD-E4243-00-00
Unavailable
20
PIPE
1WD-E3938-00-00
Unavailable
21
PIPE (2MS1)
2MS-E4465-00-00
Unavailable
22
PIPE (2MS1)
2MS-E4466-00-00
Unavailable
23
WAY 3
90413-06031-00
Unavailable
24
CLIP
90467-090A2-00
Unavailable
25
CASE, AIR CLEANER 1
1WD-E4411-00-00
Unavailable
26
FUNNEL, AIR
2MS-E4469-00-00
Unavailable
27
FUNNEL 2
2MS-E446C-00-00
Unavailable
28
DUCT
1WD-E4437-00-00
Unavailable
29
CAP, CLEANER CASE 1
2MS-E4412-00-00
Unavailable
30
SEAL
1WD-E4452-00-00
Unavailable
31
SEAL
1WD-E4457-00-00
Unavailable
32
SCREW, TRUSS TAP.
97707-50025-00
Unavailable
33
CAP, CLEANER CASE 2
1WD-E4422-00-00
Unavailable
34
SEAL
1WD-E4462-00-00
Unavailable
35
SCREW, BIND
98902-05020-00
Unavailable
36
ELEMENT, AIR CLEANER
1WD-E4451-00-00
Unavailable
37
PIPE, DRAIN
5TL-E443E-00-00
Unavailable
38
CLIP
90467-110A3-00
Unavailable
39
BAND
54P-E3474-00-00
Unavailable
40
BOLT, FLANGE
95812-06010-00
Unavailable
41
HOSE, AIR
1WD-E3543-01-00
Unavailable
42
CLIP
90467-13802-00
Unavailable
43
CLIP (4X4)
90467-12052-00
Unavailable
44
PIPE, BREATHER
2MS-E5373-01-00
Unavailable
45
CLIP
90467-13802-00
Unavailable
