- Partiron
- OEM Parts
- Yamaha
- motorcycle
- 2017
- YZFR3AHW (R3ABS) BY910 2017
ELECTRICAL 3
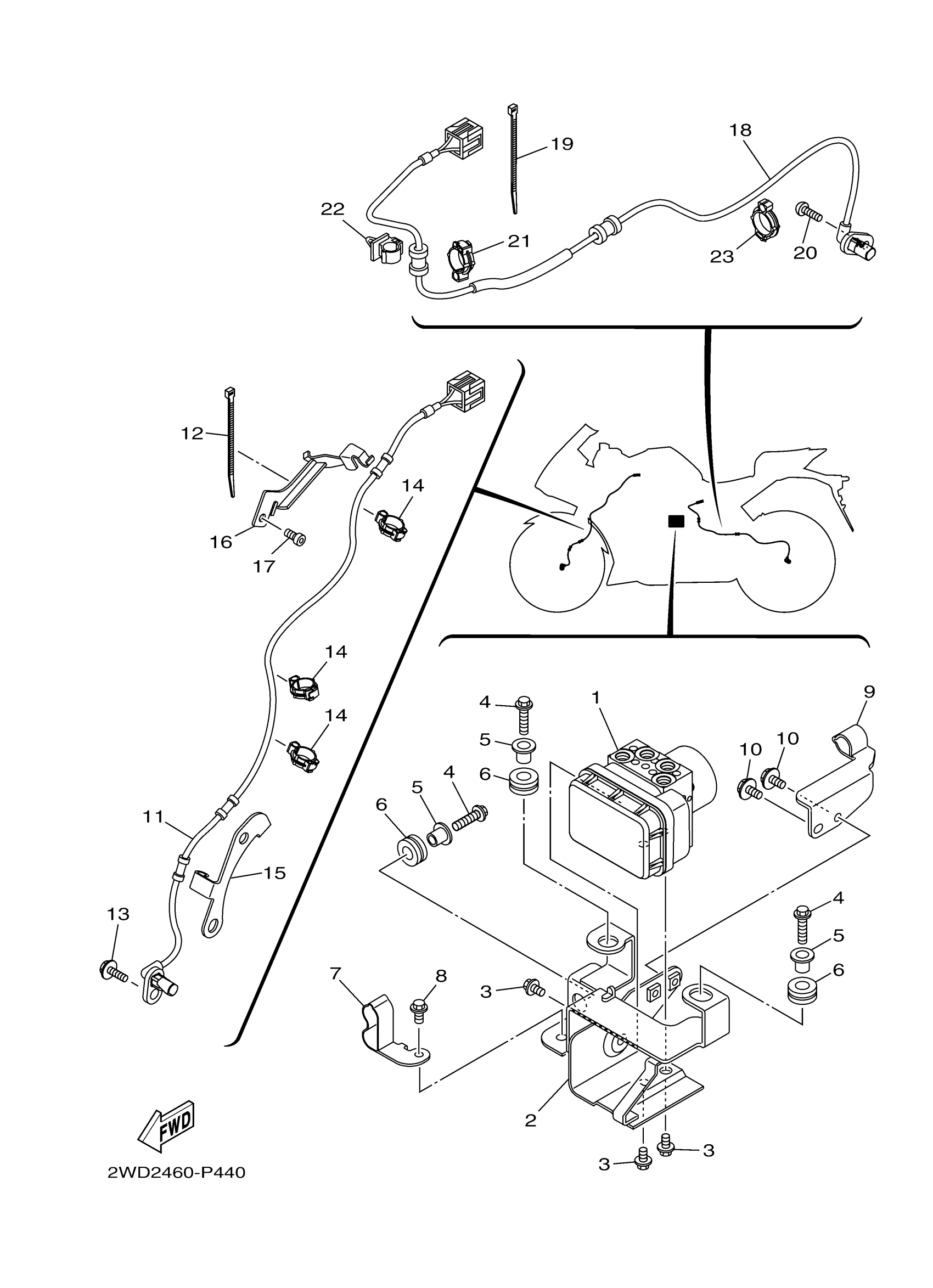
Yamaha YZFR3AHW (R3ABS) BY910 2017 ELECTRICAL 3 Diagram
#
Description
Price
2
BRACKET 1
2WD-F175T-00-00
Unavailable
5
COLLAR
90387-06M60-00
Unavailable
7
HOLDER, BRAKE HOSE
2WD-F5886-00-00
Unavailable
9
HOLDER, BRAKE HOSE 1
2WD-F5875-00-00
Unavailable
11
WHEEL SENSOR ASSY, FRONT
2WD-85970-01-00
Unavailable
12
CLAMP (5MX1)
90464-22800-00
Unavailable
15
HOLDER, CABLE 1
2WD-F3318-00-00
Unavailable
16
HOLDER, CABLE 2
2WD-F3319-00-00
Unavailable
17
BOLT,SOCKET
91317-06012-00
Unavailable
18
WHEEL SENSOR ASSY, REAR
2WD-85980-01-00
Unavailable
19
CLAMP (5MX1)
90464-22800-00
Unavailable
20
BOLT, BUTTON HEAD
92012-06016-00
Unavailable
21
CLAMP
90464-14803-00
Unavailable
22
CLAMP
90464-10800-00
Unavailable
23
CLAMP
90464-14803-00
Unavailable
