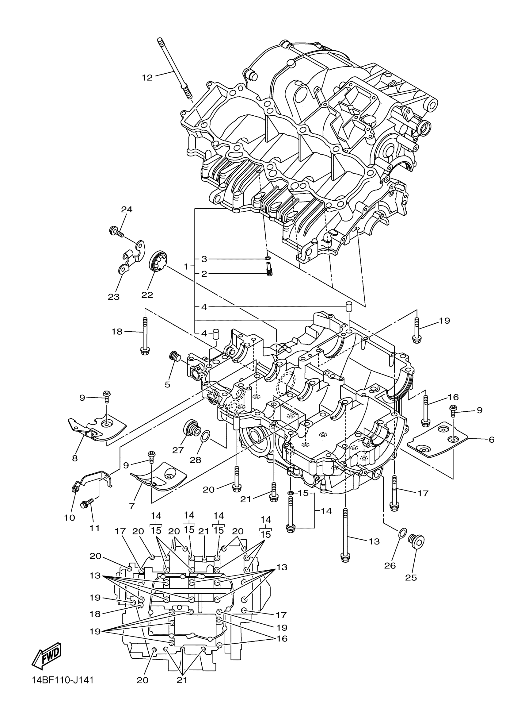
Yamaha YZFR1ZW (YZFR1) 14BF1 2010 CRANKCASE Diagram
#
Description
Price
5
PLUG, STRAIGHT SCREW(1HX)
90340-12112-00
Unavailable
6
PLATE, BAFFLE 1
14B-15123-00-00
Unavailable
7
PLATE, BUFFLE 2
14B-15124-00-00
Unavailable
8
PLATE, BUFFLE 3
14B-15133-00-00
Unavailable
10
STAY 2
14B-28322-00-00
Unavailable
12
BOLT, STUD
90116-10051-00
Unavailable
16
BOLT, FLANGE
95817-08060-00
Unavailable
17
BOLT
90109-06100-00
Unavailable
18
BOLT, FLANGE
95812-06070-00
Unavailable
19
BOLT, FLANGE
95812-06060-00
Unavailable
20
BOLT, FLANGE
95812-06050-00
Unavailable
21
BOLT, FLANGE
95817-06040-00
Unavailable
22
GAUGE, LEVEL
5PW-15361-00-00
Unavailable
23
HOLDER, CLUTCH CABLE
14B-15441-01-00
Unavailable
24
BOLT, HEXAGON SOCKET HEAD
90110-06341-00
Unavailable
25
PLUG
36Y-15189-01-00
Unavailable
26
O-RING(1L9)
93210-16325-00
Unavailable
27
PLUG
4H7-15189-00-00
Unavailable
28
O-RING
93210-22001-00
Unavailable
