Partiron

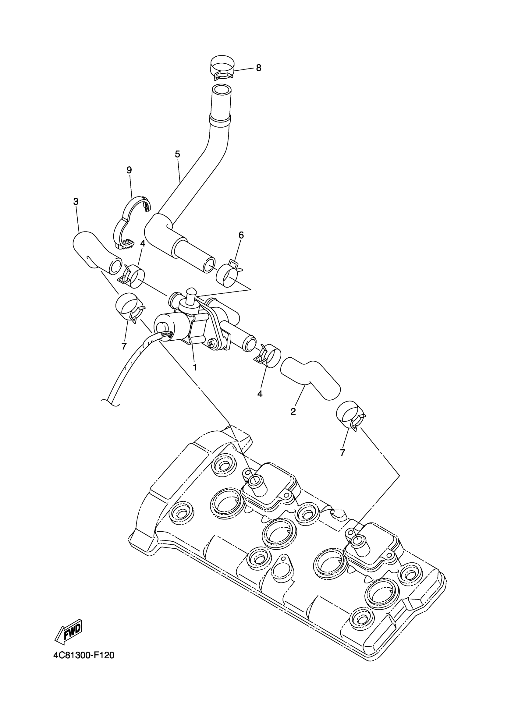
Yamaha YZFR1WC (YZFR1 CA) 4C85 2007 AIR INDUCTION SYSTEM Diagram

#

Description
Price

1

AIR CUT VALVE ASSY

4C8-14840-00-00

Unavailable

2

HOSE, BEND 1

4C8-14881-01-00

$18.49

3

HOSE, BEND 2

4C8-14882-01-00

Unavailable

4

CLIP

90467-18172-00

Unavailable

5

HOSE, BEND 3

4C8-14883-00-00

Unavailable

6

CLIP

90467-18172-00

Unavailable

7

CLIP

90467-180A0-00

$8.49

8

CLIP(3TB)

90467-17128-00

$8.49

9

CLAMP

90464-28003-00

$4.46