Partiron

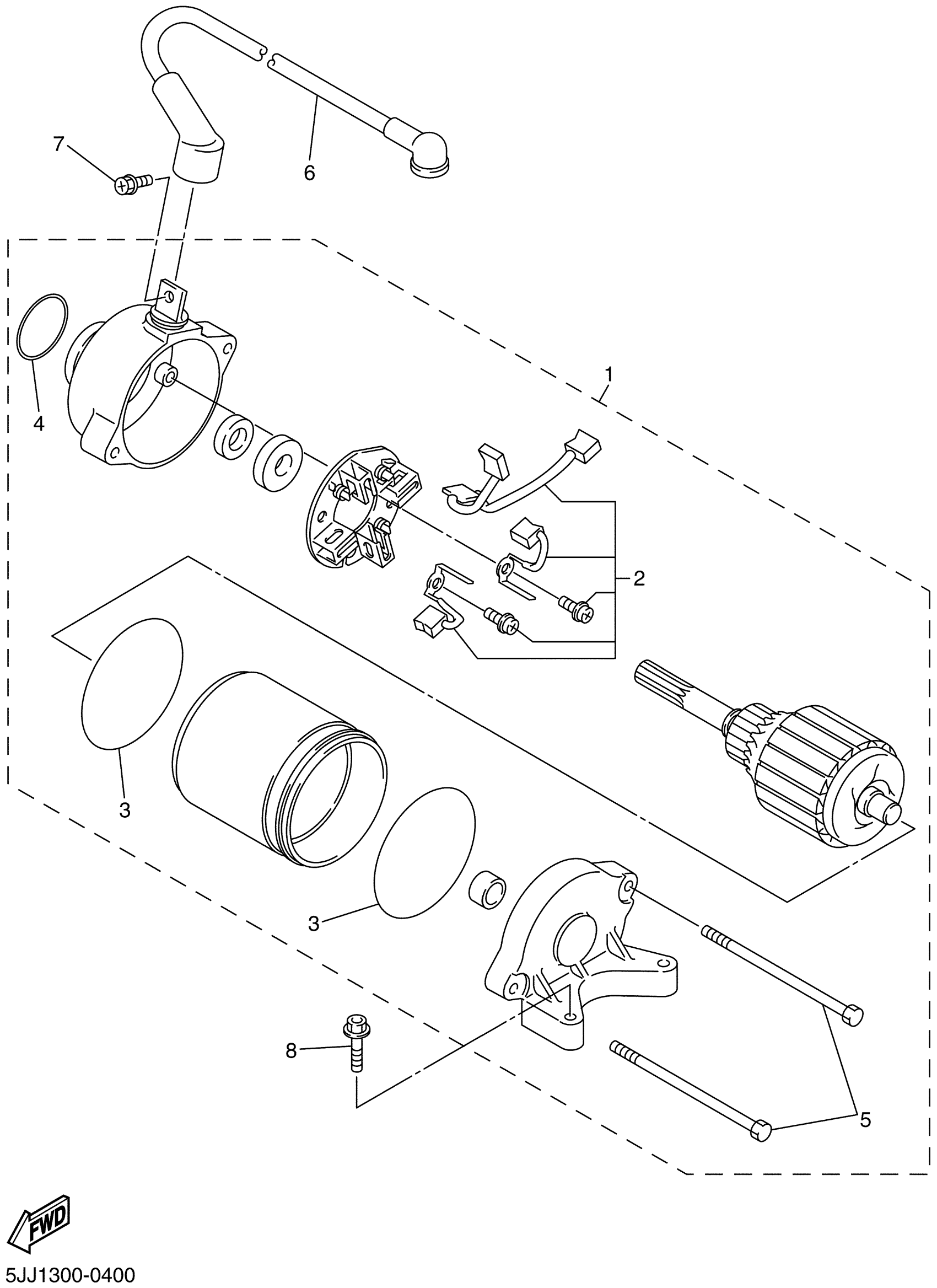
Yamaha YZFR1SNC (YZFR1 CA) 5JJG 2001 STARTING MOTOR Diagram

#

Description
Price

1

MOTOR ASSY

5PW-81890-02-00

Unavailable

2

BRUSH SET

5PW-81801-00-00

Unavailable

3

O-RING(50M)

93210-55669-00

$8.49

4

O-RING(1RL)

93210-25711-00

$7.49

5

SCREW

5PW-81846-00-00

Unavailable

6

CORD COMP.

5JJ-8183G-00-00

Unavailable

7

BOLT 2

5JJ-81828-01-00

Unavailable

8

BOLT, WASHER BASED(4KG)

90105-060A0-00

$8.49