- Partiron
- OEM Parts
- Yamaha
- motorcycle
- 2016
- YZFR1SGW (YZFR1S) B6010 2016
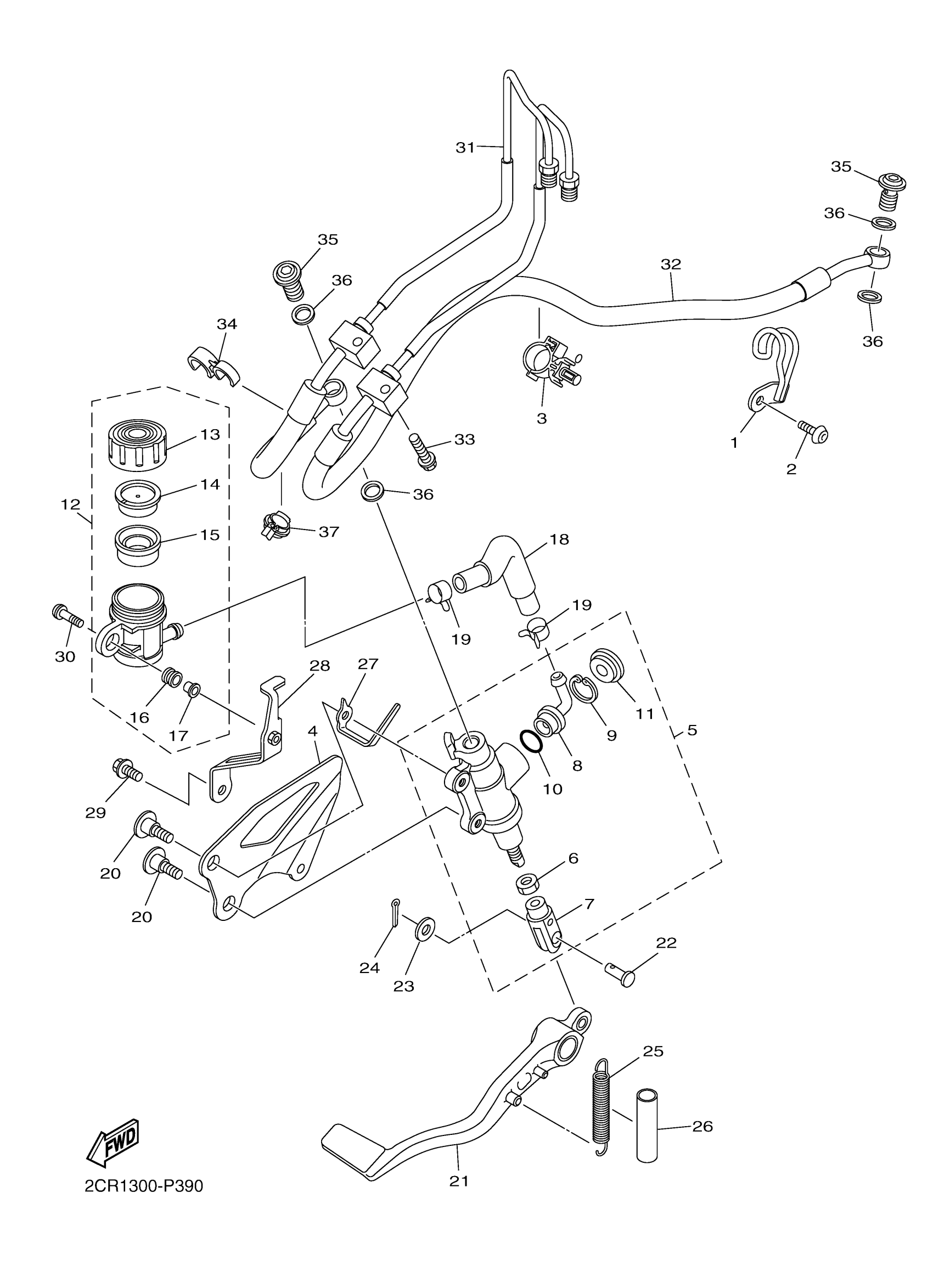
REAR MASTER CYLINDER
Yamaha YZFR1SGW (YZFR1S) B6010 2016 REAR MASTER CYLINDER Diagram
#
Description
Price
1
HOLDER, BRAKE HOSE
2CR-2588F-00-00
Unavailable
13
CAP, RESERVOIR
2CR-25852-50-00
Unavailable
16
GROMMET
2C0-26326-00-00
Unavailable
17
COLLAR
90387-05028-00
Unavailable
18
HOSE, RESERVOIR
2CR-25895-50-00
Unavailable
19
CLIP(3FV)
90467-12085-00
Unavailable
20
BOLT(4BP)
90109-066F0-00
Unavailable
21
PEDAL, BRAKE
2CR-27211-00-00
Unavailable
22
PIN, CLEVIS (5X6)
91701-06018-00
Unavailable
23
WASHER(6TA)
92907-06200-00
Unavailable
24
PIN, COTTER
91490-16020-00
Unavailable
25
SPRING, TENSION (2X3)
90506-20193-00
Unavailable
26
HOSE
90446-15386-00
Unavailable
27
TUBE, STAY 1
2CR-27131-00-00
Unavailable
28
BRACKET, RESERVE T
2CR-21228-00-00
Unavailable
29
BOLT(1KT)
90109-060E9-00
Unavailable
30
BOLT,HEX. SOCKET BUTTON
90111-05026-00
Unavailable
31
HOSE, BRAKE 4
2CR-2581J-01-00
Unavailable
32
HOSE, BRAKE 5
2CR-2581K-01-00
Unavailable
33
BOLT, SMALL FLANGE
95027-06025-00
Unavailable
34
CLAMP(6R3)
90464-13M34-00
Unavailable
35
BOLT, UNION
90401-10172-00
Unavailable
36
GASKET
90430-10005-00
Unavailable
37
CLAMP
90464-12013-00
Unavailable
