- Partiron
- OEM Parts
- Yamaha
- motorcycle
- 2002
- YZFR1PC (YZFR1 CA) 5PW5 2002
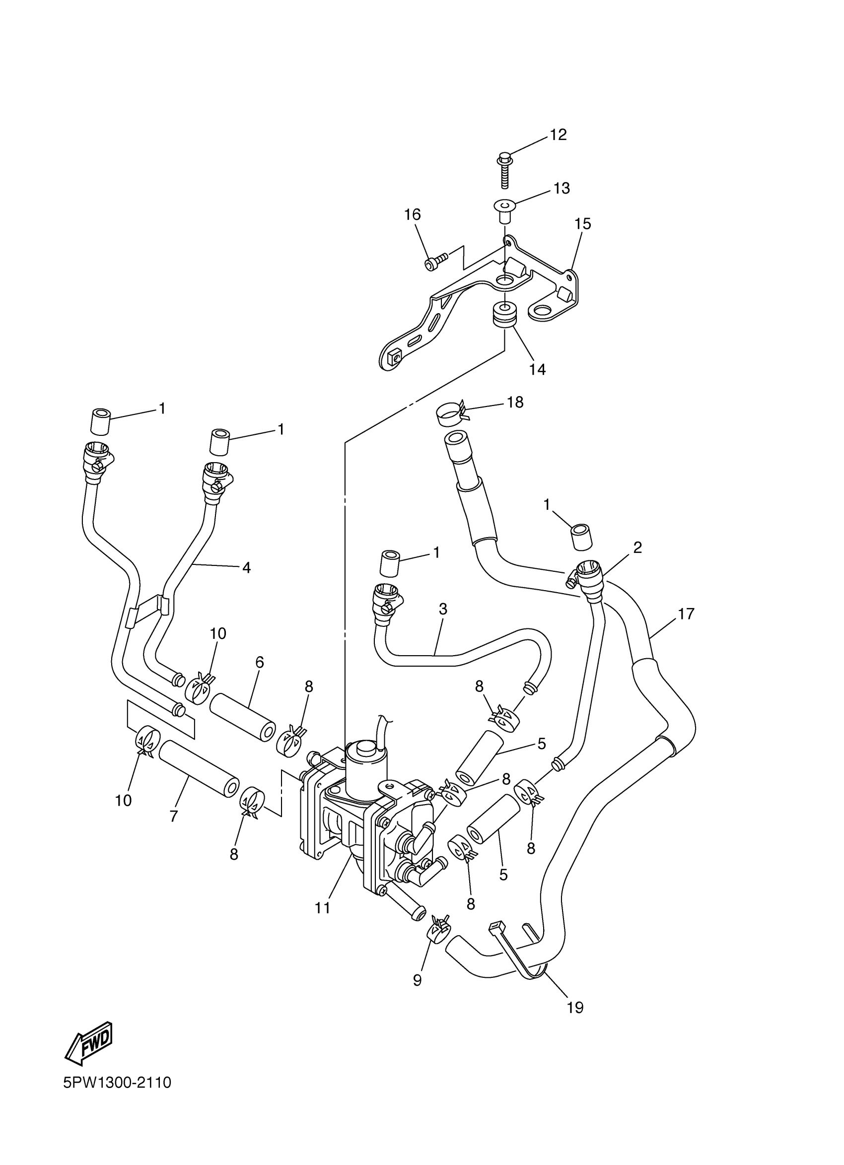
AIR INDUCTION SYSTEM
Yamaha YZFR1PC (YZFR1 CA) 5PW5 2002 AIR INDUCTION SYSTEM Diagram
#
Description
Price
2
PIPE 2
5JJ-14872-00-00
Unavailable
3
PIPE 3
5PW-14873-00-00
Unavailable
4
PIPE 4
5JJ-14874-00-00
Unavailable
5
HOSE, BEND 2
5JJ-14882-00-00
Unavailable
6
HOSE, BEND 3
5JJ-14883-00-00
Unavailable
7
HOSE, BEND 6
5JJ-14886-00-00
Unavailable
11
AIR INDUCTION SYSTEM ASSY
5PW-14803-00-00
Unavailable
13
COLLAR 437216330000
90387-07391-00
Unavailable
15
BRACKET 2
5PW-14868-00-00
Unavailable
16
BOLT,SOCKET
91317-06012-00
Unavailable
17
HOSE, BEND 1
5PW-14881-00-00
Unavailable
18
CLIP(3TB)
90467-17128-00
Unavailable
19
CLAMP(4FM)
90464-15195-00
Unavailable
