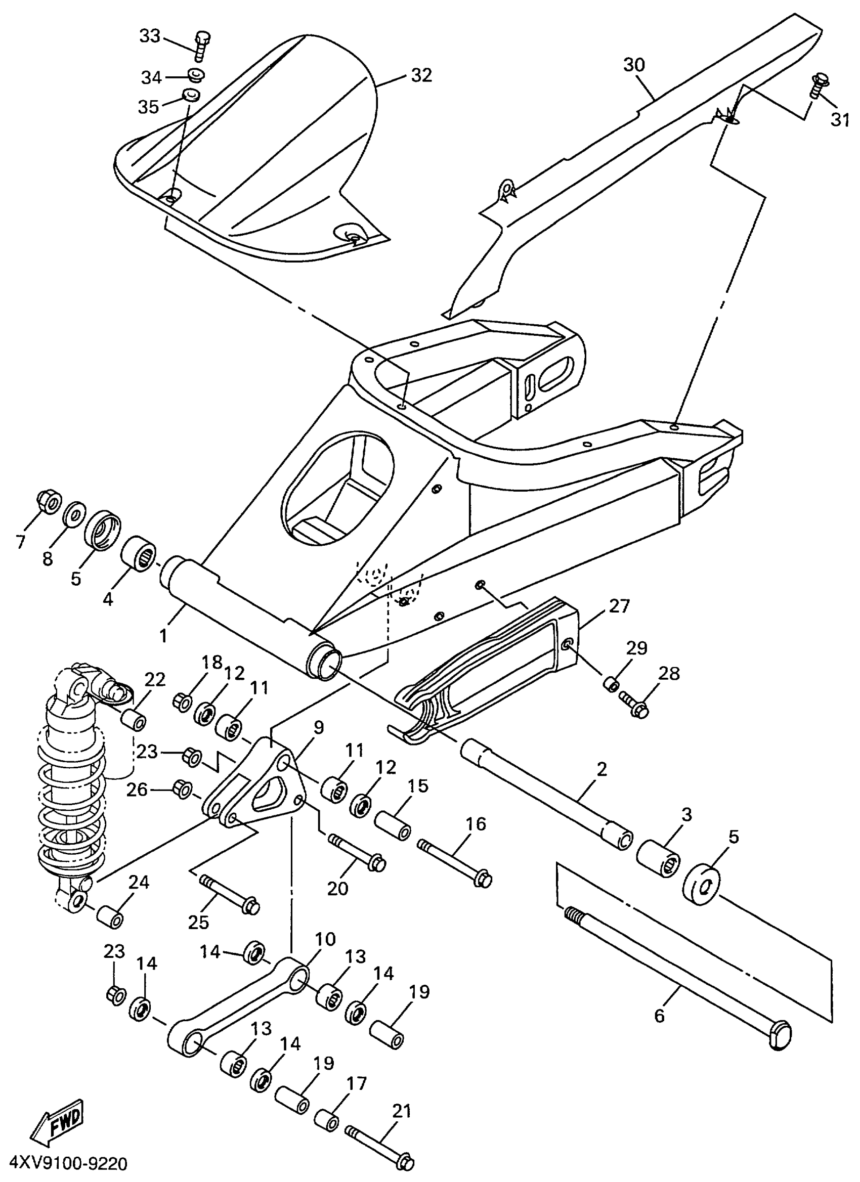
Yamaha YZFR1LC (YZFR1 CA) 4XVB 1999 REAR ARM Diagram
#
Description
Price
1
REAR ARM COMP.
4XV-22110-01-00
Unavailable
5
COVER, THRUST 1
3FV-22128-00-00
Unavailable
9
ARM, RELAY
4XV-2217A-00-00
Unavailable
10
ARM 1
4XV-2217M-00-00
Unavailable
16
BOLT, WASHER BASED(3FA)
90105-10727-00
Unavailable
17
COLLAR
90387-1013U-00
Unavailable
18
NUT, SELF-LOCKING(JN5)
95607-10200-00
Unavailable
19
COLLAR
90387-1012A-00
Unavailable
20
BOLT, WASHER BASED(1KT)
90105-10402-00
Unavailable
21
BOLT, WASHER BASED(1FK)
90105-10376-00
Unavailable
22
COLLAR
90387-1013U-00
Unavailable
23
NUT, SELF-LOCKING(JN5)
95607-10200-00
Unavailable
24
COLLAR
90387-1012A-00
Unavailable
25
BOLT, WASHER BASED(1KT)
90105-10402-00
Unavailable
26
NUT, SELF-LOCKING(JN5)
95607-10200-00
Unavailable
27
SEAL, GUARD
4XV-22151-00-00
Unavailable
28
BOLT, WITH WASHER (30X)
90119-06096-00
Unavailable
29
COLLAR
90387-06106-00
Unavailable
30
CASE, CHAIN
4XV-22311-01-00
Unavailable
31
BOLT, WITH WASHER
90119-06226-00
Unavailable
32
REAR FENDER COMP.
4XV-21650-01-P0
Unavailable
32
REAR FENDER COMP.
4XV-21650-01-P1
Unavailable
33
BOLT, HEXAGON
97017-06016-00
Unavailable
34
COLLAR
90387-0615J-00
Unavailable
35
DAMPER
4XV-28372-00-00
Unavailable
