Partiron

Yamaha YZFR1KC (YZFR1 CA) 4XV5 1998 STARTING MOTOR Diagram

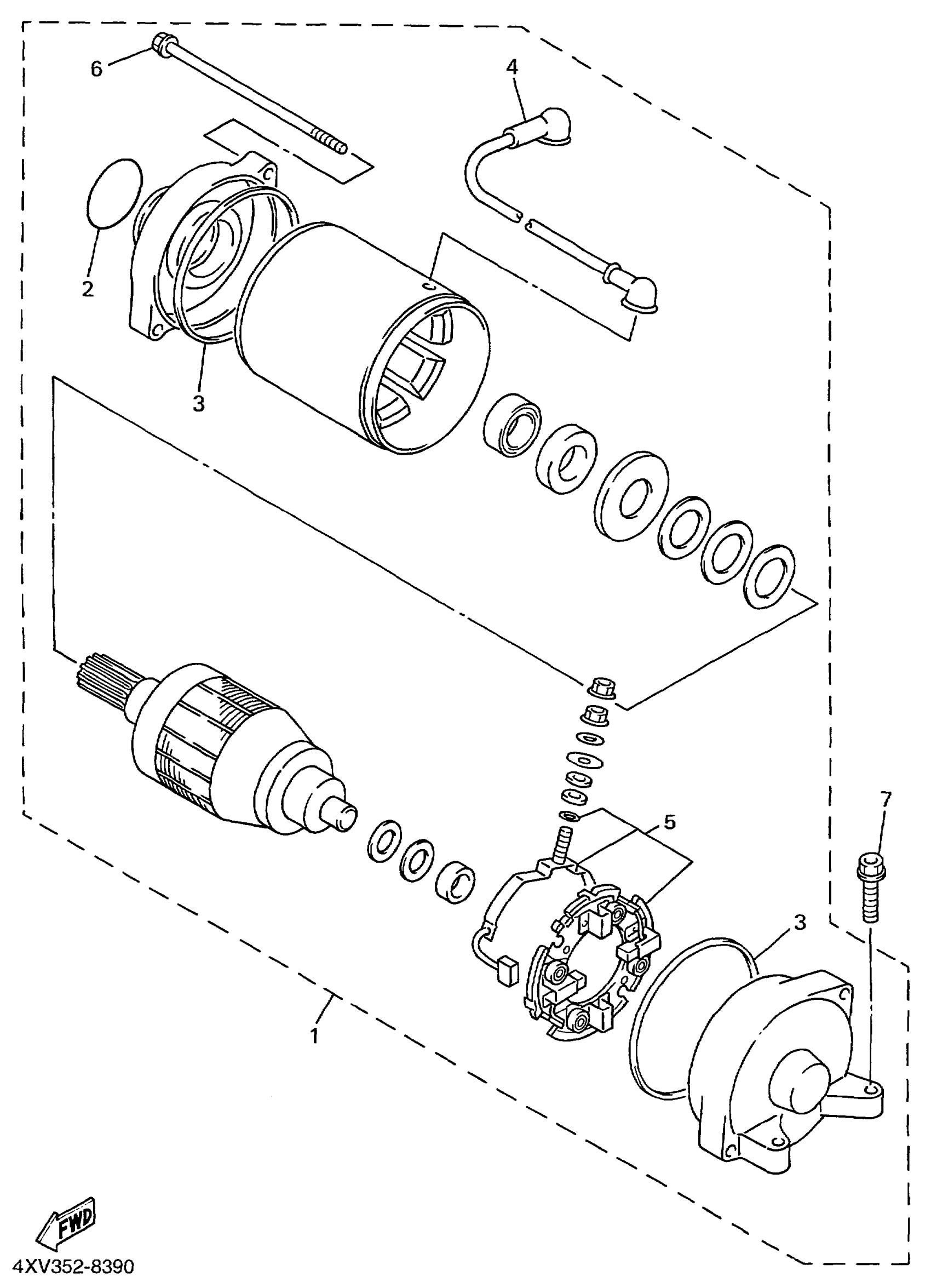
#

Description
Price

1

STARTING MOTOR UNIT

4XV-81890-00-00

Unavailable

2

O-RING (437)

93210-24235-00

$7.49

3

GASKET

35C-81844-00-00

Unavailable

4

. CORD, STARTER MOTOR

4XV-81815-00-00

Unavailable

5

BRUSH SET

3AJ-81801-00-00

$116.99

6

BOLT

3AJ-81826-00-00

$25.99

7

BOLT, SMALL FLANGE

95027-06025-00

$4.16