- Partiron
- OEM Parts
- Yamaha
- motorcycle
- 2016
- YZFR1GL (YZFR1) 2CRE0 2016
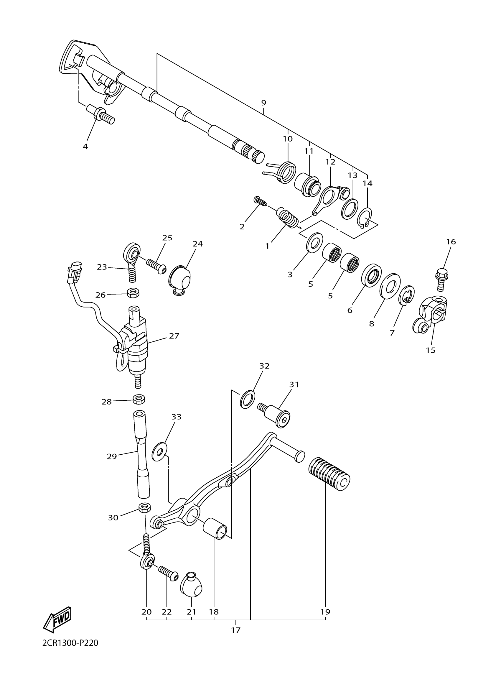
SHIFT SHAFT
Yamaha YZFR1GL (YZFR1) 2CRE0 2016 SHIFT SHAFT Diagram
#
Description
Price
4
STOPPER, SCREW
5VK-18127-00-00
Unavailable
10
SPRING, TORSION
90508-32141-00
Unavailable
11
. SPACER
2C0-18175-00-00
Unavailable
12
STOPPER LEVER ASSY
14B-18140-00-00
Unavailable
16
BOLT, FLANGE
90105-06127-00
Unavailable
17
SHIFT PEDAL ASSY
2CR-18110-00-00
Unavailable
18
BUSH
90386-14171-00
Unavailable
19
COVER, SHIFT PEDAL
5EB-18113-00-00
Unavailable
20
JOINT, ROD 2
5LV-18117-00-00
Unavailable
21
COVER, DUST
4XV-18154-00-00
Unavailable
22
BOLT, BUTTON
92017-06020-00
Unavailable
23
JOINT, ROD 1
5LV-18116-00-00
Unavailable
24
COVER, DUST
4XV-18154-00-00
Unavailable
25
BOLT, BUTTON
92017-06020-00
Unavailable
26
NUT(650)
95380-06700-00
Unavailable
27
SHIFT SWICT ASSY SET
99999-04247-00
Unavailable
28
NUT(650)
95380-06700-00
Unavailable
29
ROD, SHIFT
2CR-18115-00-00
Unavailable
30
NUT (2H9)
90170-06228-00
Unavailable
31
BOLT
4C8-27434-10-00
Unavailable
32
WASHER, WAVE(6T4)
90206-14086-00
Unavailable
33
WASHER 6154275100
90201-08103-00
Unavailable
