- Partiron
- OEM Parts
- Yamaha
- motorcycle
- 2025
- YZ85S2 (YZ85) B4BL 2025
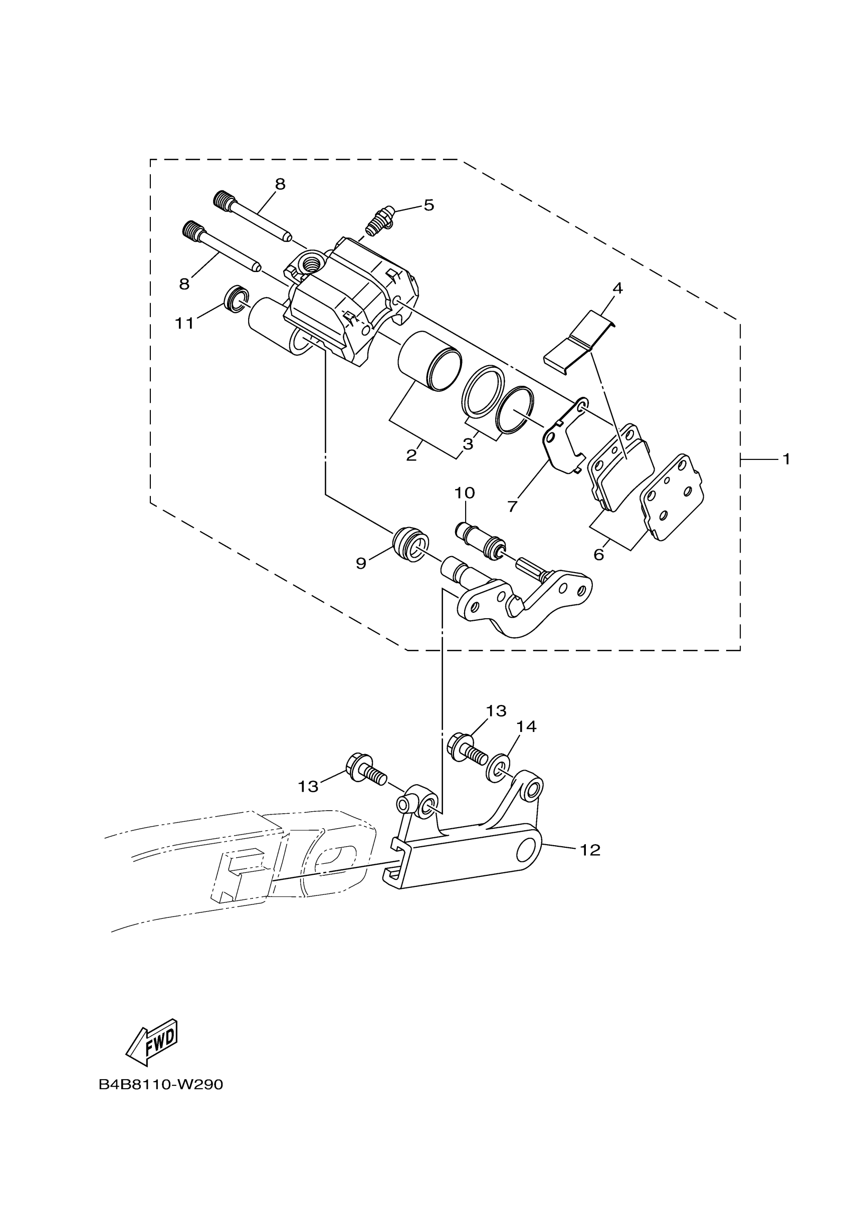
REAR BRAKE CALIPER
Yamaha YZ85S2 (YZ85) B4BL 2025 REAR BRAKE CALIPER Diagram
#
Description
Price
7
SHIM, CALIPER
3GD-25827-00-00
Unavailable
12
SUPPORT BRACKET ASSY
4ES-25920-01-00
Unavailable
