- Partiron
- OEM Parts
- Yamaha
- motorcycle
- 2023
- YZ85P2 (YZ85) B4BE 2023
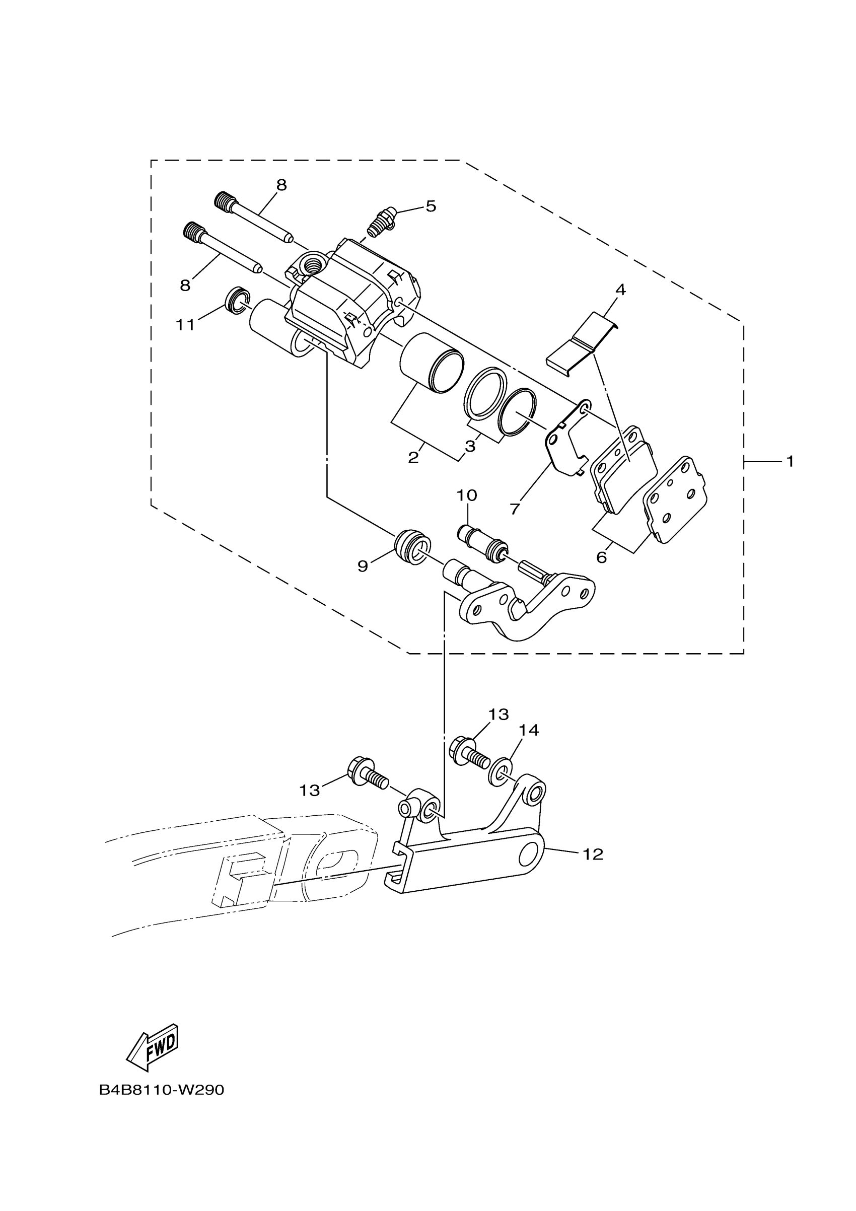
REAR BRAKE CALIPER
Yamaha YZ85P2 (YZ85) B4BE 2023 REAR BRAKE CALIPER Diagram
#
Description
Price
12
SUPPORT BRACKET ASSY
4ES-25920-01-00
Unavailable
