- Partiron
- OEM Parts
- Yamaha
- motorcycle
- 2002
- YZ85P (YZ85) 5PA1 2002
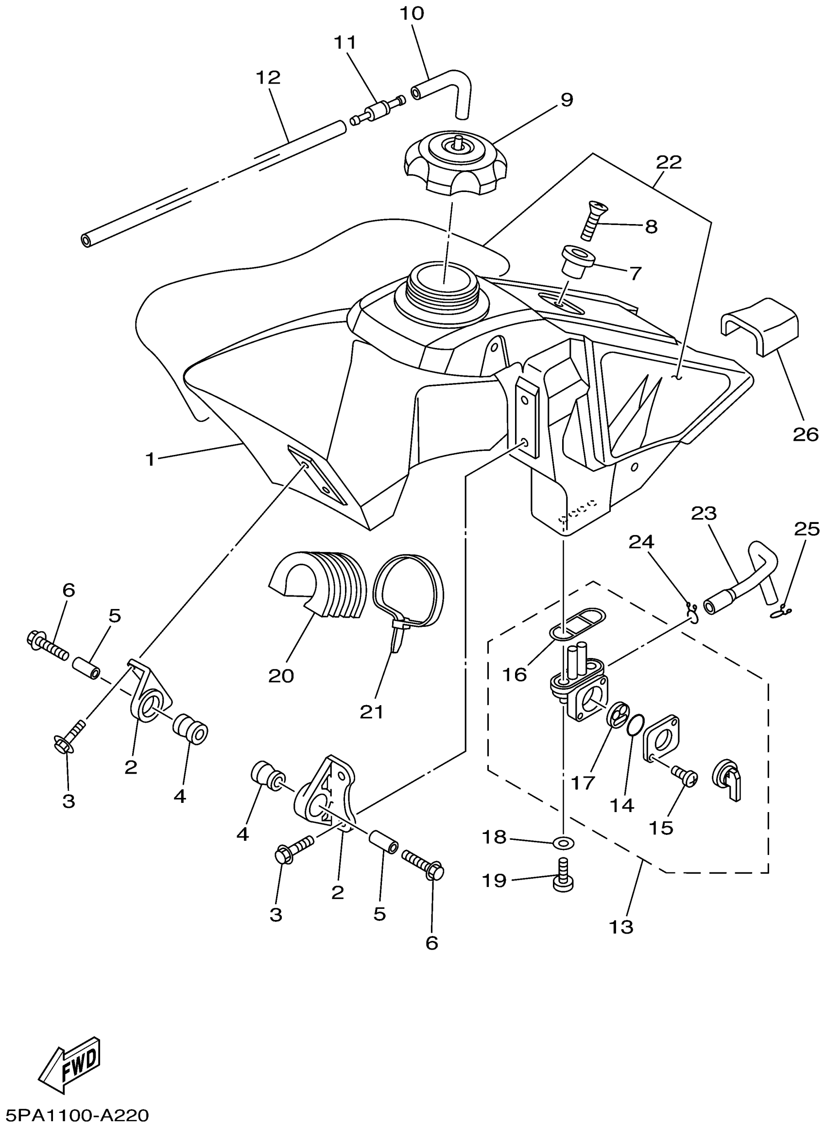
FUEL TANK
Yamaha YZ85P (YZ85) 5PA1 2002 FUEL TANK Diagram
#
Description
Price
1
FUEL TANK COMP.
5PA-24110-30-00
Unavailable
12
HOSE (L590)
90445-10020-00
Unavailable
16
O-RING
4X8-24512-00-00
Unavailable
17
VALVE PACKING
3AC-24523-00-00
Unavailable
18
WASHER, PLATE(3MB)
90202-05187-00
Unavailable
19
SCREW 256241430000
90149-06011-00
Unavailable
20
DAMPER, LOCATING 2
5PA-24182-00-00
Unavailable
21
CLAMP(MF1)
90464-15152-00
Unavailable
22
GRAPHIC SET
5PA-24240-00-00
Unavailable
23
PIPE, FUEL 1
5PA-24311-00-00
Unavailable
24
CLIP
90467-100A1-00
Unavailable
25
CLIP
90467-09002-00
Unavailable
26
DAMPER, LOCATING 3
5PA-24183-00-00
Unavailable
