- Partiron
- OEM Parts
- Yamaha
- motorcycle
- 2022
- YZ85LWN (YZ85 LW) B0GA 2022
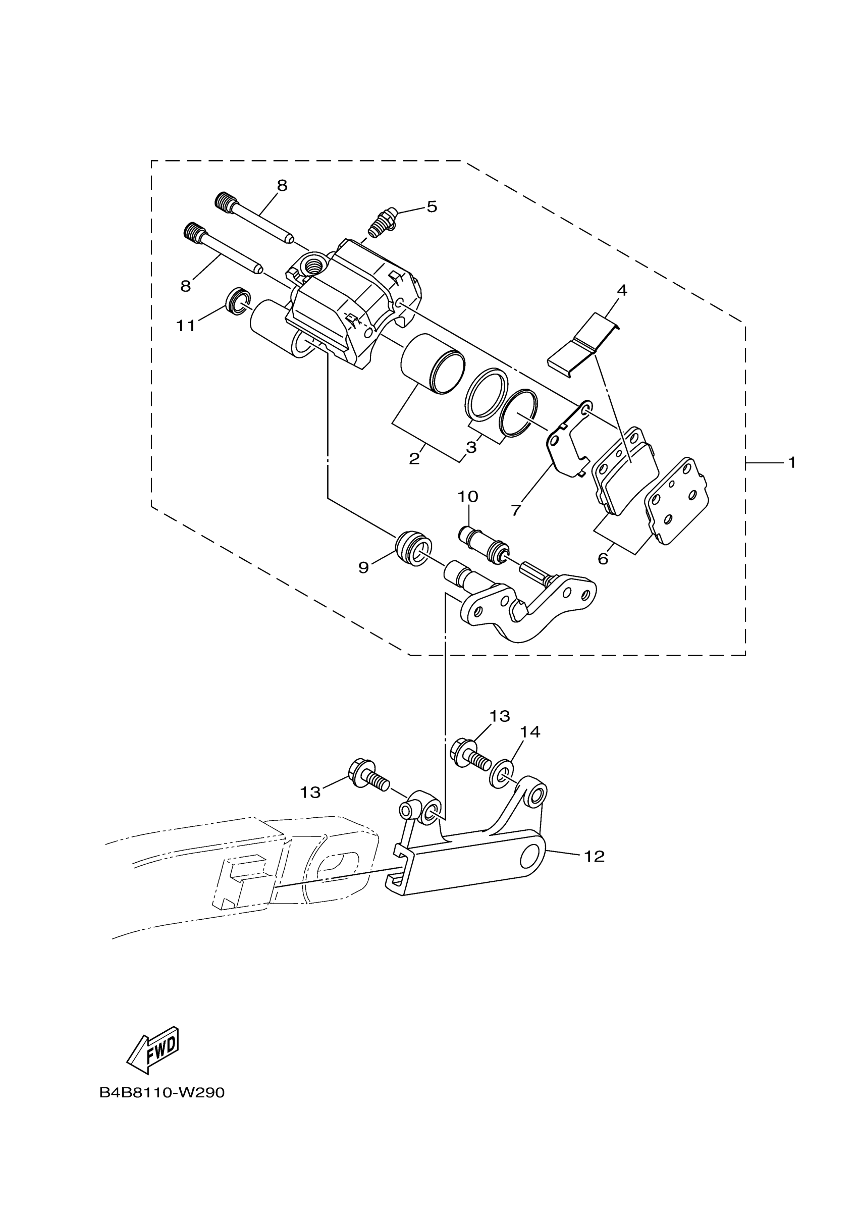
REAR BRAKE CALIPER
Yamaha YZ85LWN (YZ85 LW) B0GA 2022 REAR BRAKE CALIPER Diagram
#
Description
Price
7
SHIM, CALIPER
3GD-25827-00-00
Unavailable
12
SUPPORT BRACKET ASSY
4ES-25920-01-00
Unavailable
