- Partiron
- OEM Parts
- Yamaha
- motorcycle
- 1987
- YZ80T (YZ80T) 1987
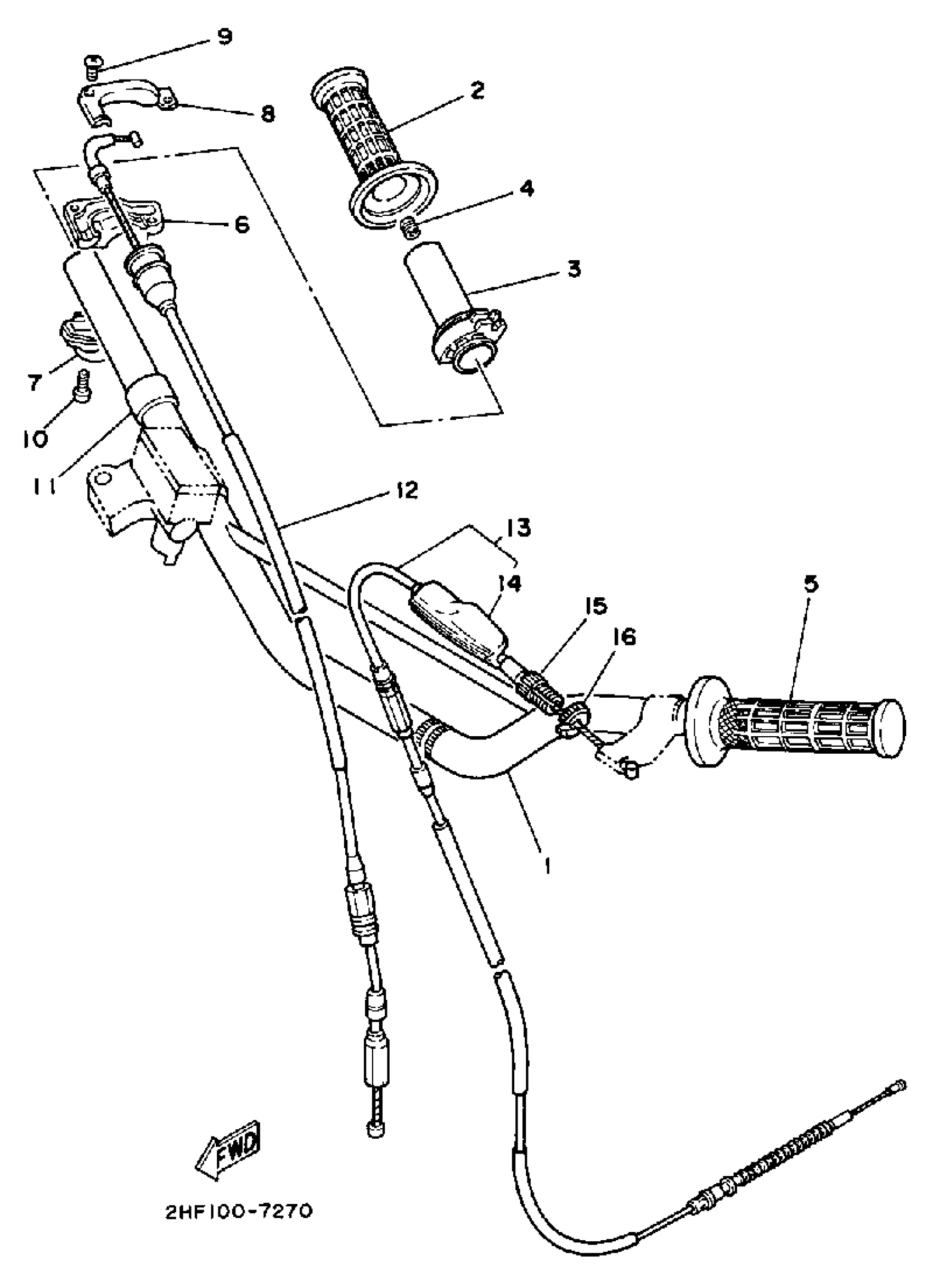
HANDLEBAR - CABLE
Yamaha YZ80T (YZ80T) 1987 HANDLEBAR - CABLE Diagram
#
Description
Price
1
HANDLE BAR
4ES-26111-20-8L
Unavailable
10
SCREW, PAN HEAD
90157-05M19-00
Unavailable
11
COLLAR
90387-22647-00
Unavailable
12
CABLE, THROTTLE 1
22W-26311-00-00
Unavailable
13
CABLE, CLUTCH
39K-26335-01-00
Unavailable
16
NUT
90179-08030-00
Unavailable
