Partiron

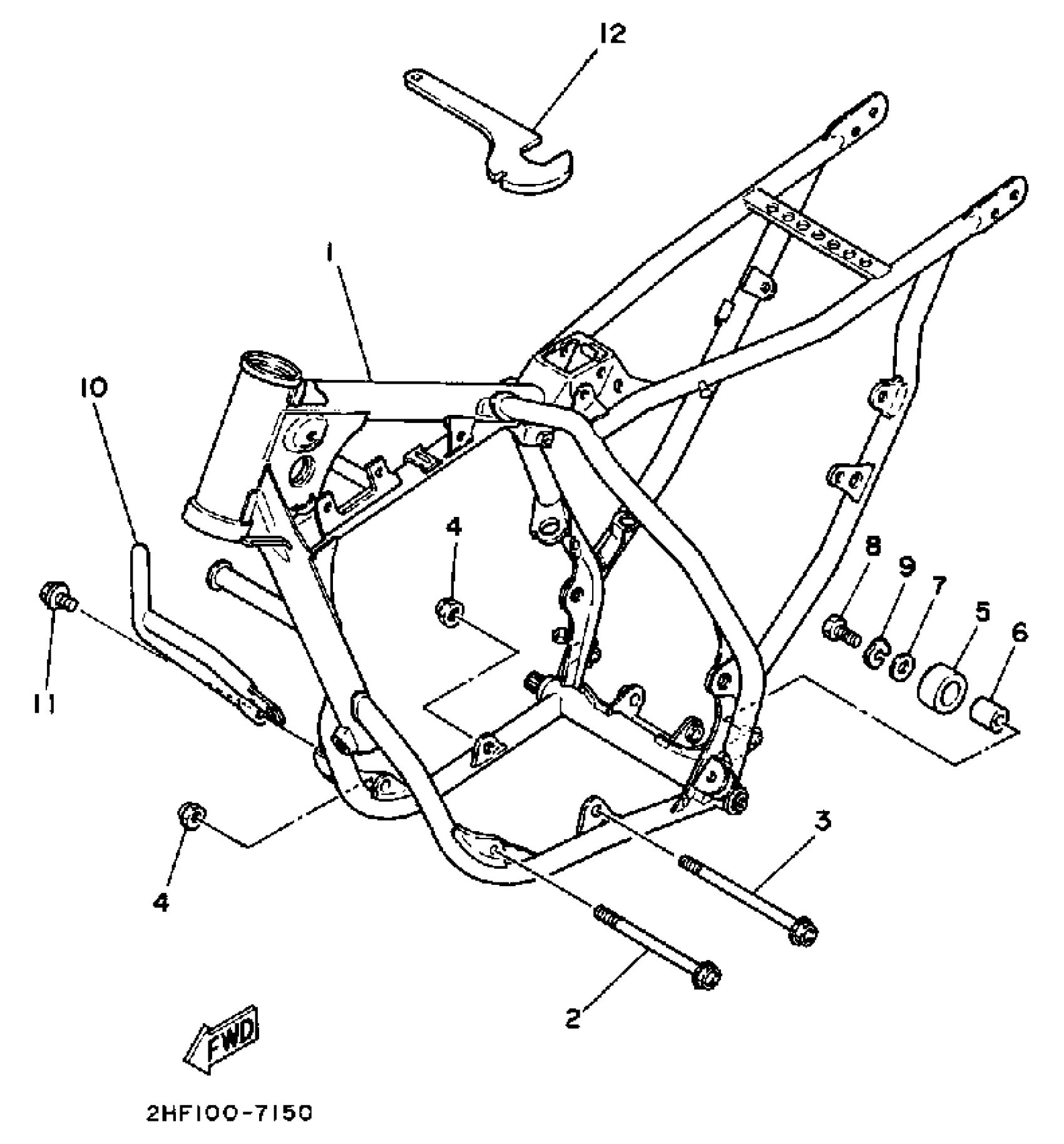
Yamaha YZ80T (YZ80T) 1987 FRAME Diagram

#

Description
Price

1

FRAME

2HF-21110-00-UJ

Unavailable

2

BOLT, FLANGE

95817-08125-00

$9.49

3

BOLT,FLANGE

95817-08135-00

Unavailable

4

NUT, SELF-LOCKING

90185-08169-00

$8.49

5

TENSIONER

30X-22178-00-00

$35.99

6

BUSH

4V4-22184-00-00

$4.47

7

UNAVAILABLE IN PRICE BOOK

90201-057A0-00

Unavailable

8

BOLT, HEXAGON DEEP RECESS

97D95-06016-00

$2.76

9

WASHER(6TA)

92907-06700-00

$1.86

10

GUARD, RADIATOR

1LR-2174F-00-00

Unavailable

11

BOLT, FLANGE(2UJ)

95024-08012-00

$8.49

12

SPANNER, SPECIAL

10V-28135-00-00

Unavailable