Partiron

Yamaha YZ80S (YZ80S) 1986 SHIFT SHAFT Diagram

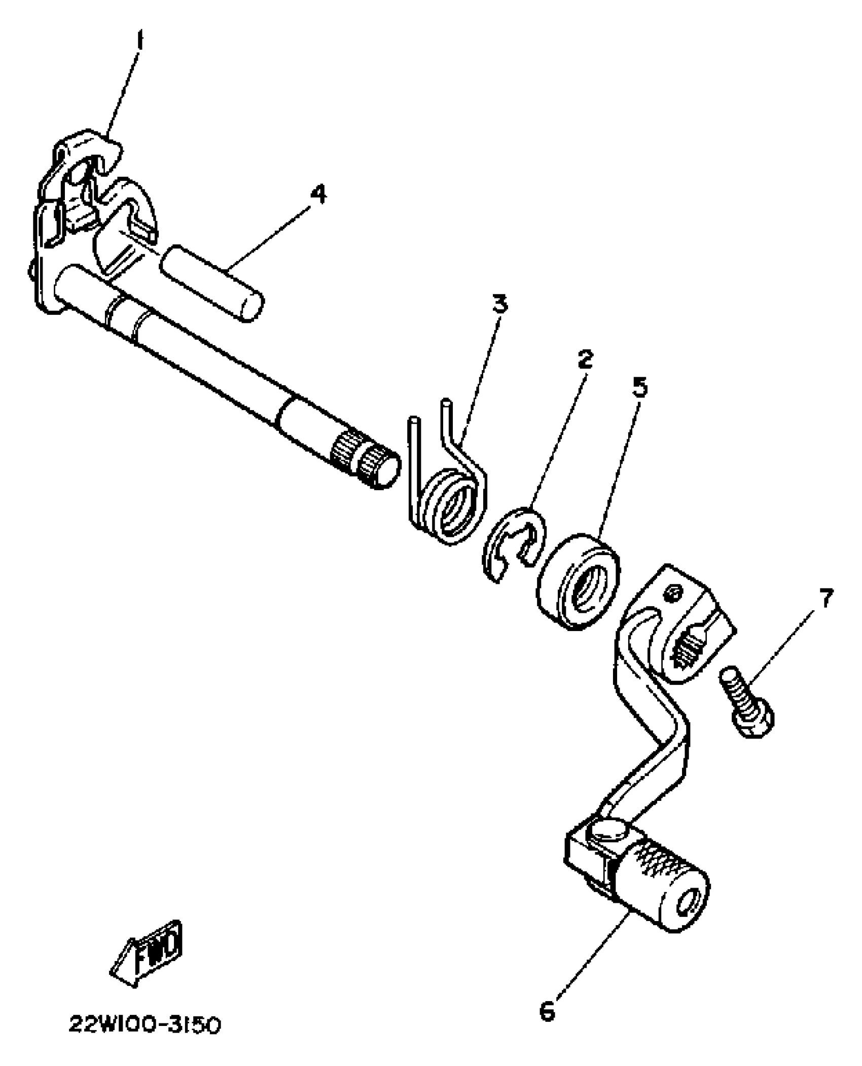
#

Description
Price

1

SHIFT SHAFT ASSEMBLY.1

22W-18101-01-00

Unavailable

2

CIRCLIP

99006-10600-00

$9.49

3

SPRING, TORSION(17W)

90508-32642-00

$9.49

4

PIN, DOWEL

93608-30152-00

Unavailable

5

OIL SEAL (12X19X5-401)

93109-12012-00

$10.49

6

SHIFT PEDAL ASSY

2HF-18110-02-00

$53.99

7

BOLT, HEXAGON

97017-06020-00

$4.06