- Partiron
- OEM Parts
- Yamaha
- motorcycle
- 1986
- YZ80S (YZ80S) 1986
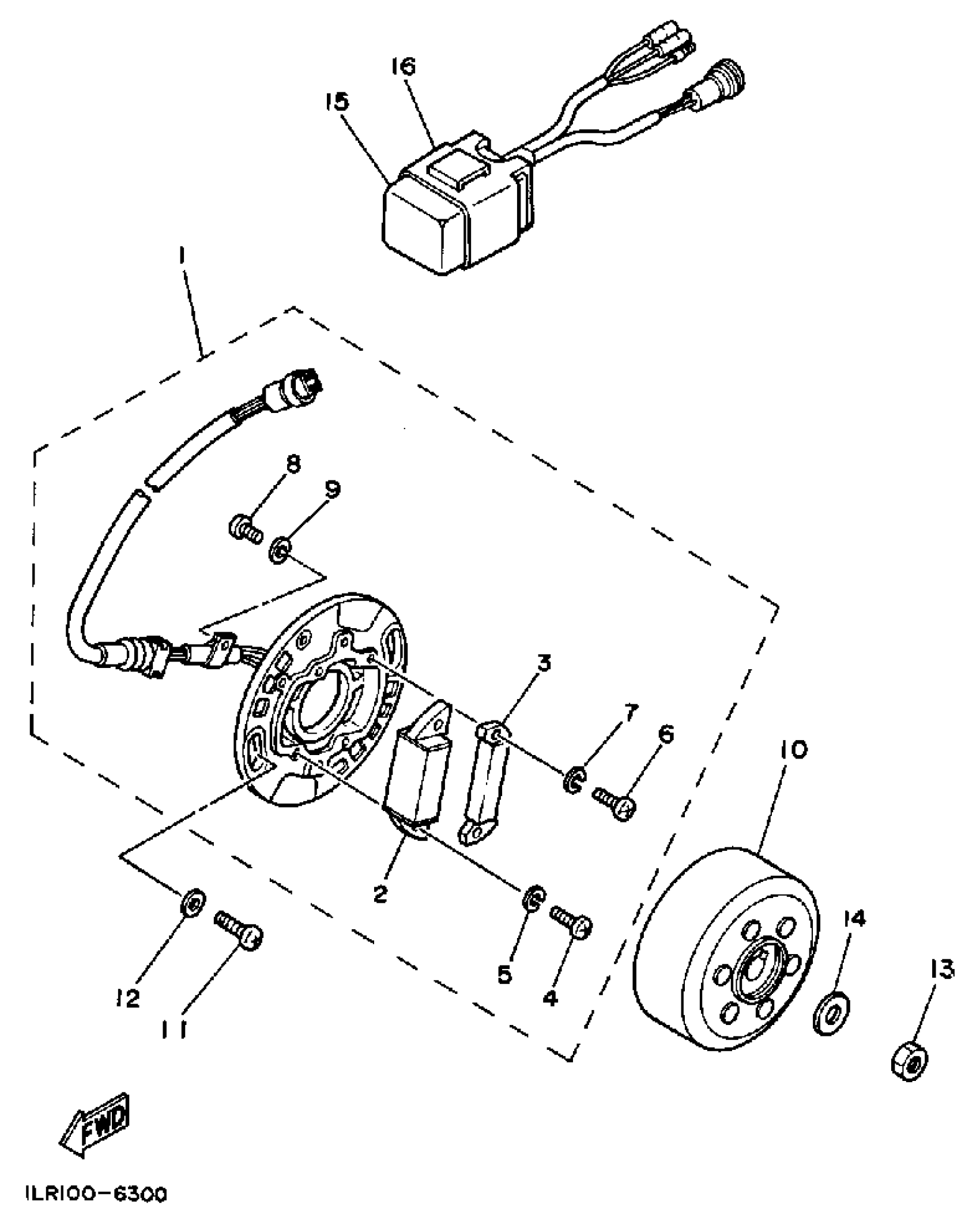
GENERATOR
Yamaha YZ80S (YZ80S) 1986 GENERATOR Diagram
#
Description
Price
1
STATOR ASSEMBLY
1LR-85510-20-00
Unavailable
2
. COIL SOURCE 2
39K-85512-20-00
Unavailable
3
. COIL, PULSER
39K-85580-20-00
Unavailable
4
SCREW, PAN HEAD
98517-04025-00
Unavailable
10
ROTOR ASSEMBLY
39K-85550-20-00
Unavailable
15
CDI UNIT ASSEMBLY
1LR-85540-20-00
Unavailable
16
BAND
2A7-85546-00-00
Unavailable
