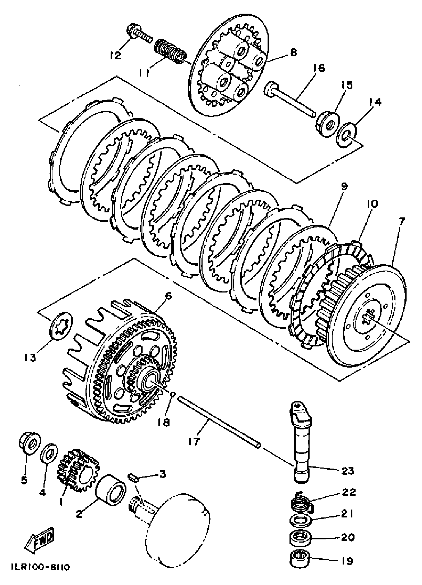
Yamaha YZ80S (YZ80S) 1986 CLUTCH Diagram
#
Description
Price
1
GEAR, PRI DRIVE
1LR-16111-00-00
Unavailable
2
COLLAR
90387-202F0-00
Unavailable
4
WASHER, CONICAL SPRING 12,2 X
90208-12800-00
Unavailable
5
NUT (4V2)
90179-12335-00
Unavailable
6
PRIMARY DRIVEN GEAR COMP.
1LR-16150-01-00
Unavailable
7
BOSS, CLUTCH
1LR-16371-00-00
Unavailable
8
PLATE, PRESSURE 1
1LR-16351-00-00
Unavailable
9
PLATE, CLUTCH 1
257-16324-10-00
Unavailable
14
WASHER, CONICAL SPRING 12,2 X
90208-12800-00
Unavailable
16
ROD,PUSH (1)
137-16356-00-00
Unavailable
17
ROD, PUSH 2
2X3-16357-00-00
Unavailable
18
BALL
93503-16003-00
Unavailable
19
BEARING, CYLINDRICAL (3R3)
93315-21429-00
Unavailable
20
OIL SEAL (2K8)
93109-14021-00
Unavailable
21
WASHER, PLAIN (434)
90201-14411-00
Unavailable
22
SPRING, TORSION
90508-18463-00
Unavailable
23
AXLE, PUSH LEVER
58T-16382-00-00
Unavailable
