Partiron

Yamaha YZ80N1 (YZ80) 4ESA 2001 GENERATOR Diagram

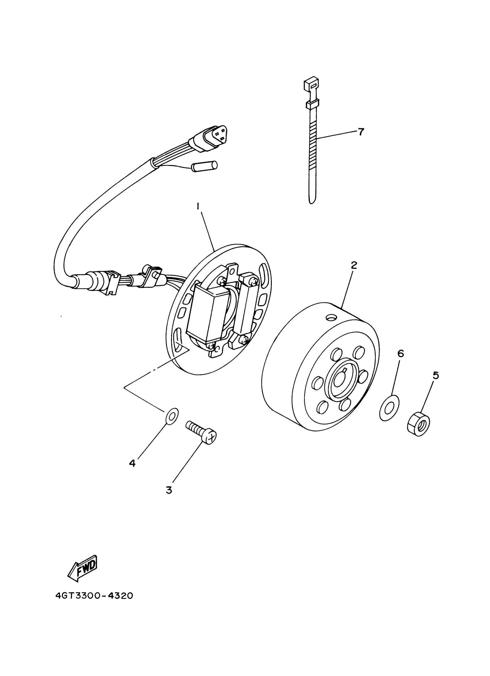
#

Description
Price

1

STATOR ASSY

4ES-85510-20-00

Unavailable

2

ROTOR ASSY

4ES-85550-10-00

Unavailable

3

SCREW, PAN HEAD(3TJ)

98507-06016-00

$3.48

4

WASHER(6TA)

92907-06600-00

$2.72

5

NUT(6TD)

95337-10600-00

$9.49

6

WASHER, PLATE (3L6)

90201-10774-00

$9.49

7

BAND, SWITCH CORD

437-83936-01-00

$7.99