Partiron

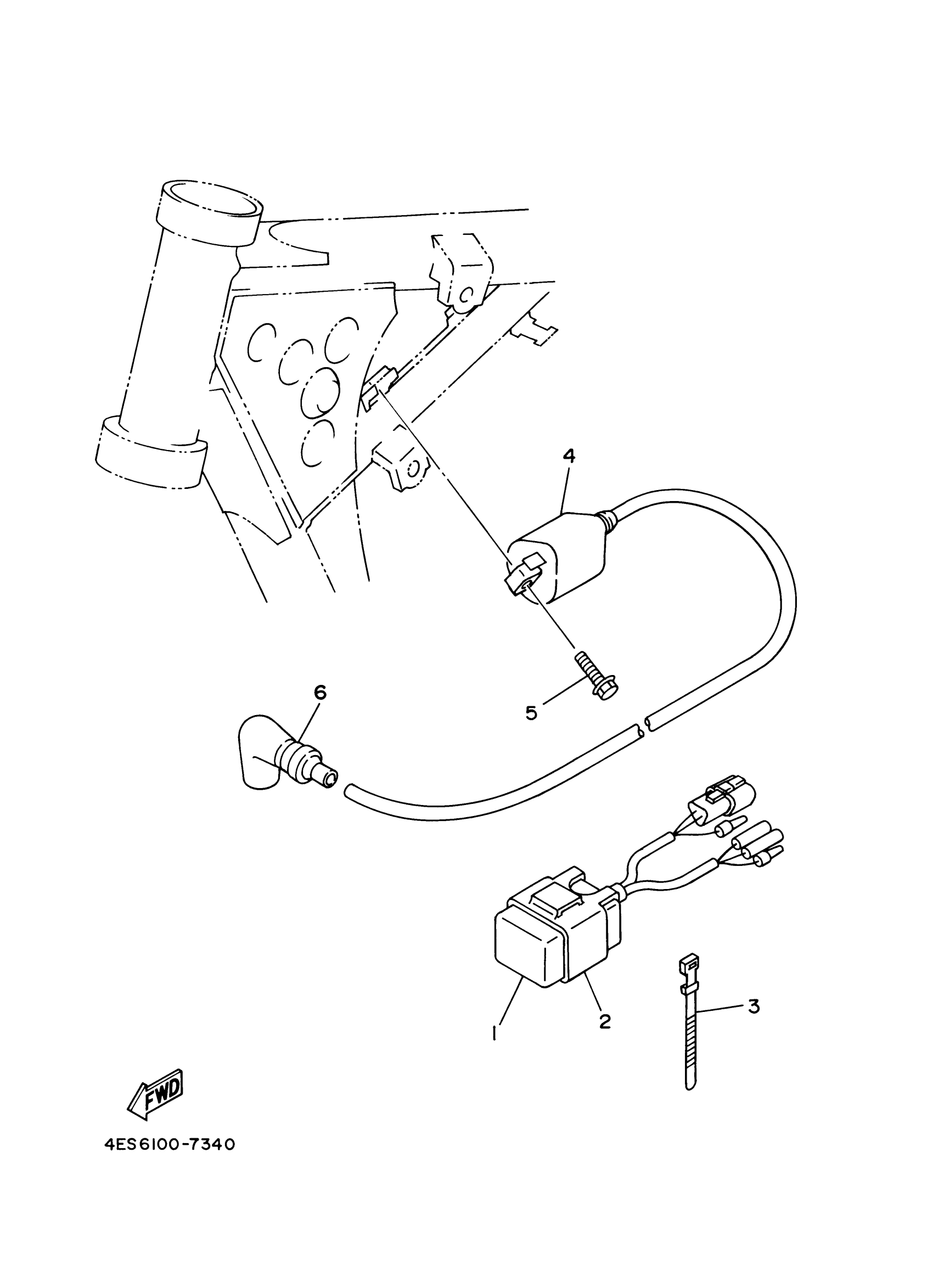
Yamaha YZ80N1 (YZ80) 4ESA 2001 ELECTRICAL 1 Diagram

#

Description
Price

1

C.D.I. UNIT ASSY

4ES-85540-20-00

Unavailable

2

BAND

2A7-85546-00-00

Unavailable

3

BAND, SWITCH CORD

437-83936-11-00

$4.63

4

IGNITION COIL ASSY

3KJ-82310-13-00

$47.99

5

BOLT, WASHER BASED(JA9)

90105-06696-00

$9.49

6

PLUG CAP ASSY

8DG-82370-00-00

$49.99