- Partiron
- OEM Parts
- Yamaha
- motorcycle
- 1999
- YZ80L1 (YZ80) 4ES8 1999
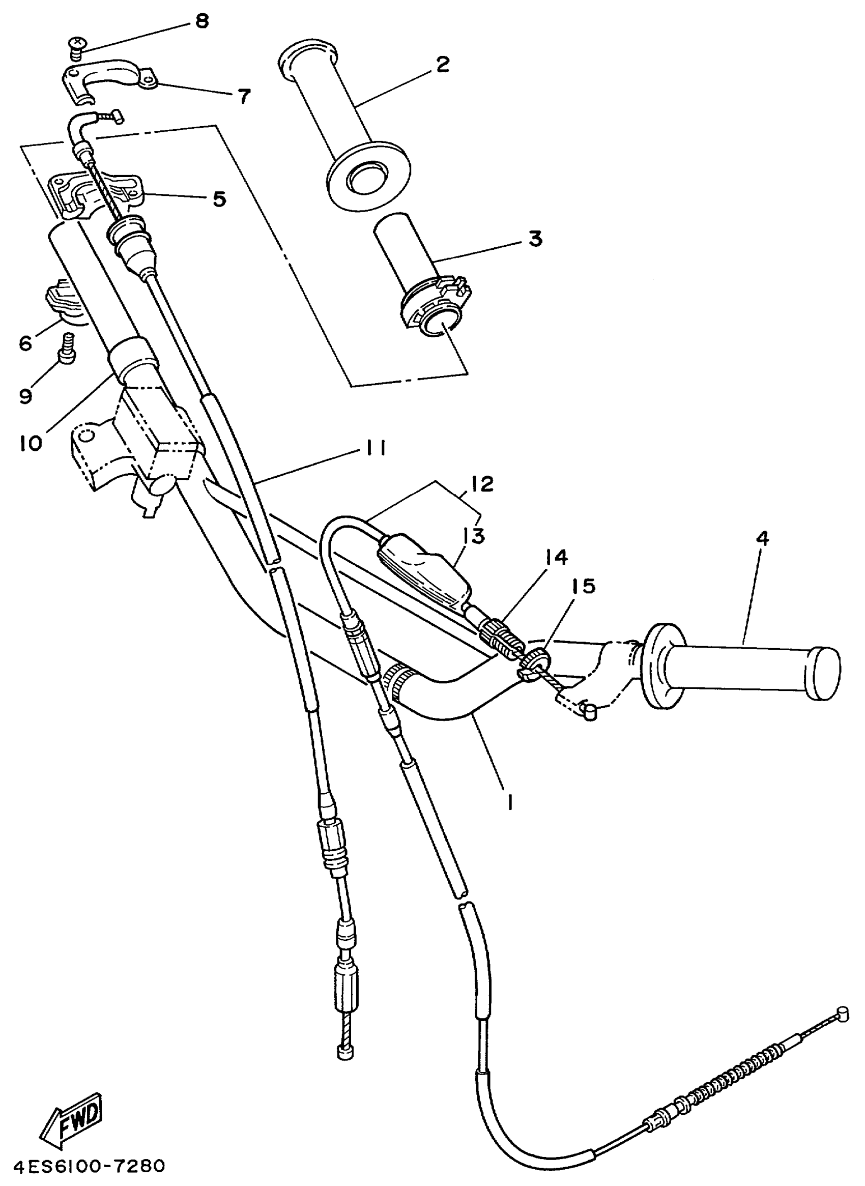
STEERING HANDLE CABLE
Yamaha YZ80L1 (YZ80) 4ES8 1999 STEERING HANDLE CABLE Diagram
#
Description
Price
1
HANDLEBAR
4ES-26111-30-00
Unavailable
10
COLLAR (13X)
90387-220G4-00
Unavailable
