Partiron

Yamaha YZ80L (YZ80L_N) 39K 1984 EXHAUST Diagram

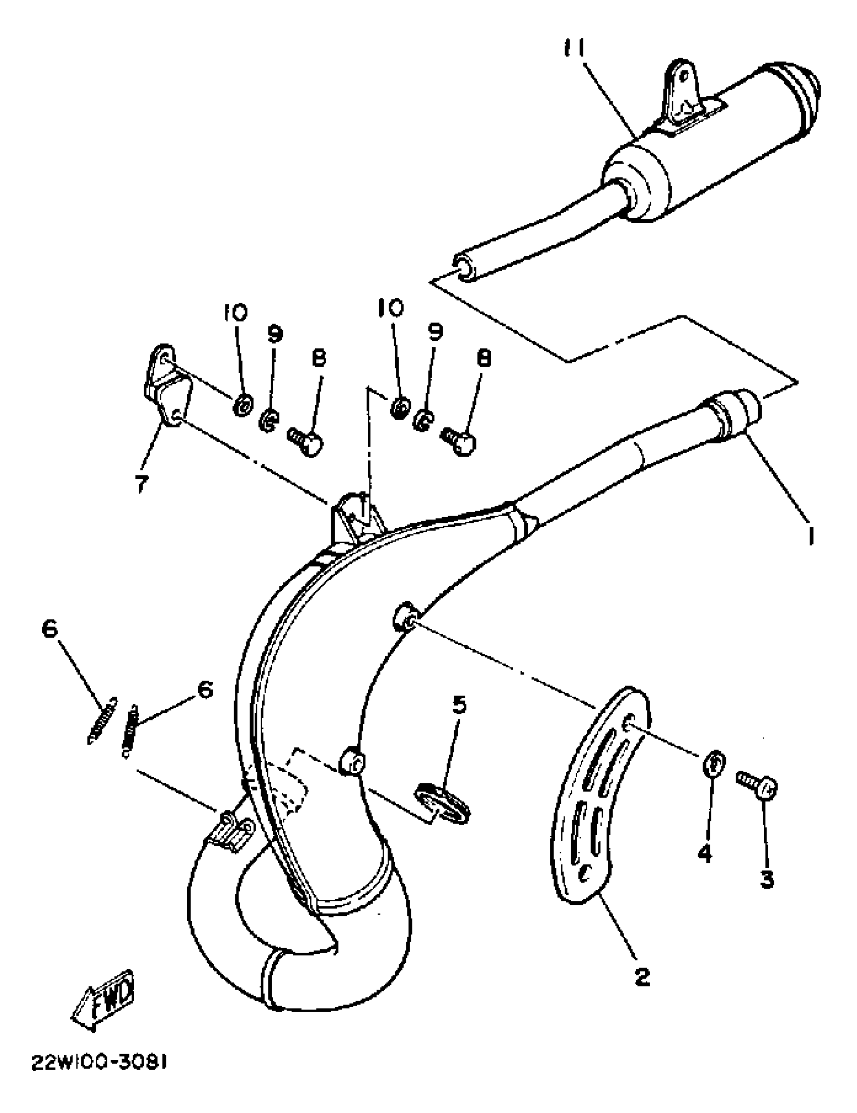
#

Description
Price

1

EXHAUST PIPE ASSEMBLY L

39K-14610-00-00

Unavailable

1

EXHAUST PIPE ASSEMBLY L

58T-14610-00-00

Unavailable

2

PROTECTOR, MUFF 1

39K-14718-00-00

Unavailable

3

SCREW, BINDING

98907-06008-00

$8.49

4

WASHER, PLATE(3MB)

90202-05187-00

$1.38

5

GASKET, EXHAUST PIPE

4BR-14613-00-00

$7.99

6

SPRING, TENSION (1W4)

90507-20030-00

$14.99

7

STAY, MUFFLER 1

565-14771-01-00

$18.49

8

BOLT, HEXAGON DEEP RECESS

97D95-06016-00

$2.76

9

WASHER, SPRING

92995-06100-00

Unavailable

10

WASHER, PLATE (4H7)

90201-061A5-00

$7.49

11

SILENCER, EXHAUST

39K-14753-00-00

Unavailable

11

SILENCER, EXHAUST

58T-14753-00-00

Unavailable