- Partiron
- OEM Parts
- Yamaha
- motorcycle
- 1984
- YZ80L (YZ80L_N) 39K 1984
CARBURETOR
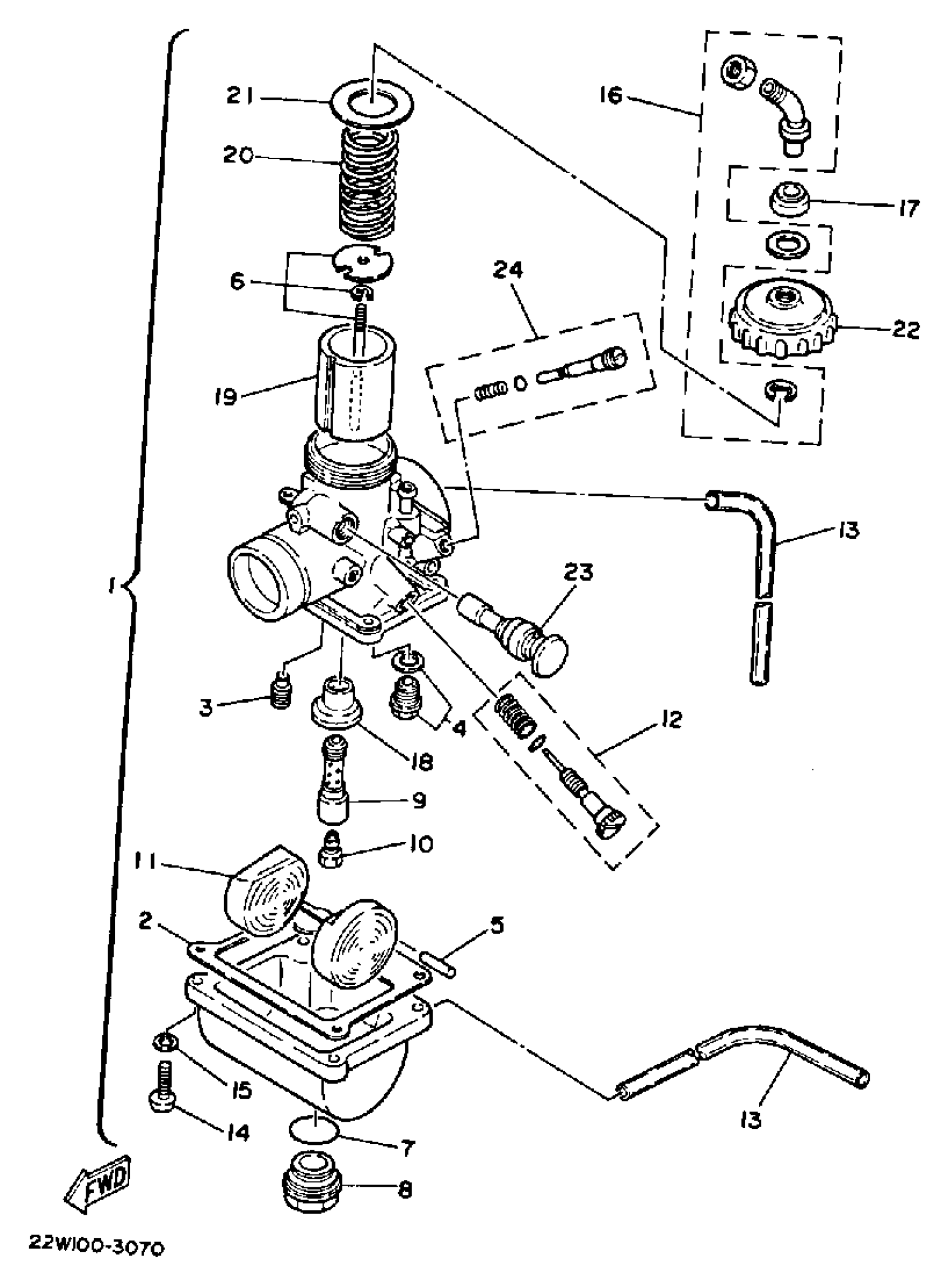
Yamaha YZ80L (YZ80L_N) 39K 1984 CARBURETOR Diagram
#
1
CARBURETOR ASSEMBLY 1
39K-14101-00-00
Unavailable
1
CARBURETOR ASSEMBLY 1
1LR-14101-00-00
Unavailable
6
. NEEDLE SET
22W-1490J-00-00
Unavailable
8
. PLUG, SCREW
3R1-14115-00-00
Unavailable
9
. NOZZLE, MAIN
3R1-14141-44-00
Unavailable
9
. NOZZLE, MAIN
3R1-14141-50-00
Unavailable
9
. NOZZLE, MAIN
3R1-14141-52-00
Unavailable
9
. NOZZLE, MAIN
3R1-14141-54-00
Unavailable
10
JET, MAIN #230
137-14143-46-A1
Unavailable
10
JET, MAIN #240
137-14143-48-A1
Unavailable
10
JET, MAIN #250
137-14143-50-A1
Unavailable
10
JET, MAIN #260
137-14143-52-00
Unavailable
10
JET, MAIN #270
137-14143-54-A1
Unavailable
10
JET, MAIN #280
137-14143-56-A0
Unavailable
10
JET, MAIN #290
137-14143-58-A1
Unavailable
11
FLOAT
314-14185-00-00
Unavailable
12
THROTTLE SCREW SET
4AC-14103-00-00
Unavailable
13
PIPE
23F-14197-00-00
Unavailable
14
SCREW, PAN HEAD
98517-04016-00
Unavailable
15
YBS67-4 WASHER, SPRING
92990-04100-00
Unavailable
16
. CABLE ADJUST SCREW SET
22W-14106-00-00
Unavailable
17
CAP
3X3-14169-00-00
Unavailable
18
WASHER, MAIN JET
(3R1-14153-00-00)
Unavailable
19
. VALVE, THROTTLE 1
2X6-14112-20-00
Unavailable
19
. VALVE, THROTTLE 1
2X6-14112-25-00
Unavailable
19
. VALVE, THROTTLE 1
2X6-14112-30-00
Unavailable
19
. VALVE, THROTTLE 1
2X6-14112-35-00
Unavailable
20
SPRING, THROTTLE VALVE
248-14131-00-00
Unavailable
21
GASKET
2A6-14126-00-00
Unavailable
22
. TOP, MIXING CHAMBER
2A6-14158-00-00
Unavailable
23
PLUNGER, STARTER
4U5-14171-00-00
Unavailable
24
AIR SCREW SET
10W-14104-00-00
Unavailable
