- Partiron
- OEM Parts
- Yamaha
- motorcycle
- 1998
- YZ80K1 (YZ80) 1998
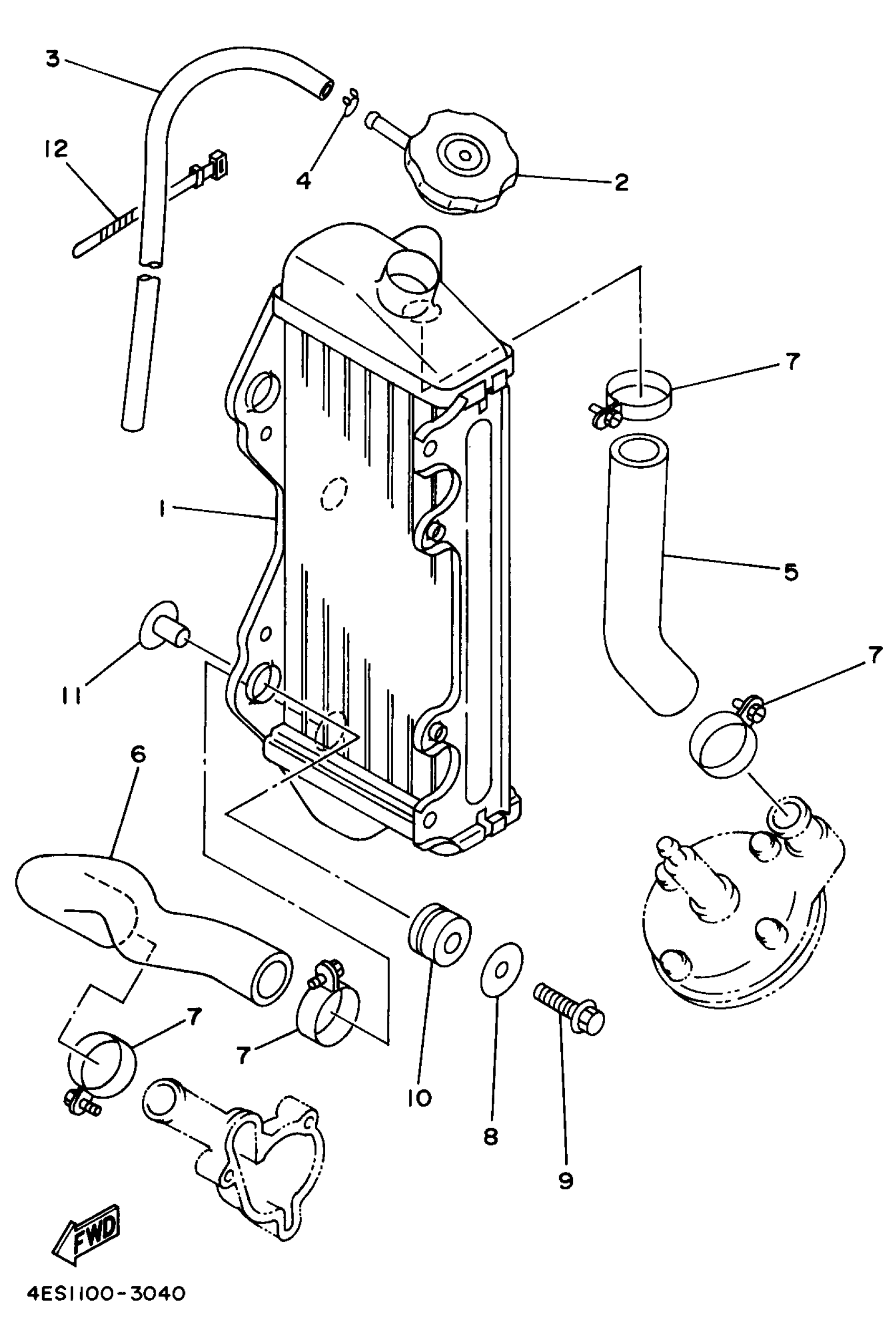
RADIATOR HOSE
Yamaha YZ80K1 (YZ80) 1998 RADIATOR HOSE Diagram
#
Description
Price
1
RADIATOR ASSY
4ES-12461-10-00
Unavailable
5
PIPE 1
4ES-12481-00-00
Unavailable
6
PIPE 2
4ES-12482-00-00
Unavailable
