- Partiron
- OEM Parts
- Yamaha
- motorcycle
- 1983
- YZ80K (YZ80) 1983
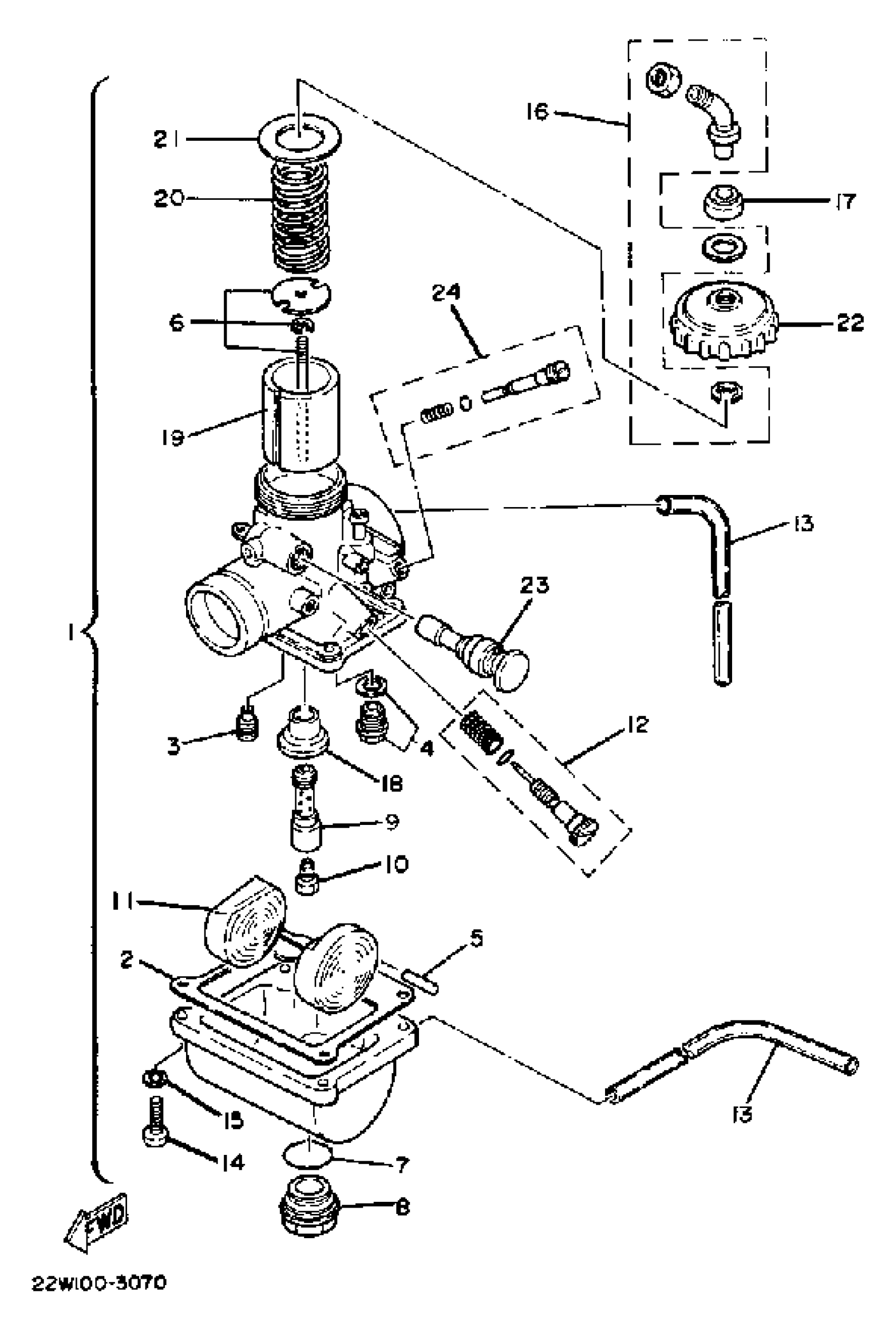
CARBURETOR
Yamaha YZ80K (YZ80) 1983 CARBURETOR Diagram
#
Description
Price
1
CARBURETOR ASSEMBLY 1 (22W-14101-00)
22W-14101-01-00
Unavailable
6
. NEEDLE SET
22W-1490J-00-00
Unavailable
8
. PLUG, SCREW
3R1-14115-00-00
Unavailable
9
NOZZLE, MAIN
3R1-14141-36-00
Unavailable
10
JET, MAIN #250
137-14143-50-A1
Unavailable
10
JET, MAIN #260
137-14143-52-00
Unavailable
14
SCREW, PAN HEAD(GA5)
98580-04014-00
Unavailable
15
YBS67-4 WASHER, SPRING
92990-04100-00
Unavailable
16
. CABLE ADJUST SCREW SET
22W-14106-00-00
Unavailable
17
CAP
3X3-14169-00-00
Unavailable
18
WASHER, MAIN JET
(3R1-14153-00-00)
Unavailable
19
. VALVE, THROTTLE 1
2X6-14112-20-00
Unavailable
20
SPRING, THROTTLE VALVE
248-14131-00-00
Unavailable
21
GASKET
2A6-14126-00-00
Unavailable
22
. TOP, MIXING CHAMBER
2A6-14158-00-00
Unavailable
23
PLUNGER, STARTER
4U5-14171-00-00
Unavailable
24
AIR SCREW SET
10W-14104-00-00
Unavailable
