- Partiron
- OEM Parts
- Yamaha
- motorcycle
- 1980
- YZ80G (YZ80G_H_J) 1980
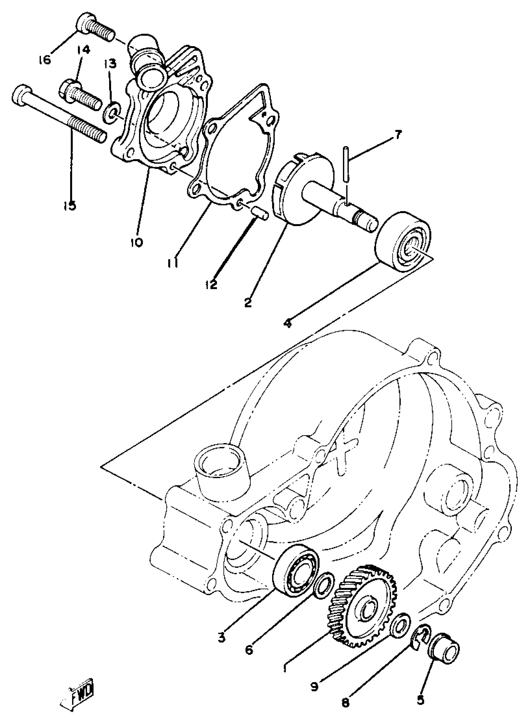
WATER PUMP YZ80J
Yamaha YZ80G (YZ80G_H_J) 1980 WATER PUMP YZ80J Diagram
#
Description
Price
1
GEAR, IMPELLER SHAFT
5X2-12459-01-00
Unavailable
2
IMPELLER SHAFT ASSEMBLY
5X2-12450-01-00
Unavailable
4
OIL SEAL (4V2)
93103-12119-00
Unavailable
8
CIRCLIP
99080-07600-00
Unavailable
10
COVER, HOUSING
(5X2-12422-00-00)
Unavailable
11
GASKET, HSNG COVER 2
5X2-12428-10-00
Unavailable
16
SCREW, PAN HEAD(3TJ)
98507-06016-00
Unavailable
