- Partiron
- OEM Parts
- Yamaha
- motorcycle
- 1980
- YZ80G (YZ80G_H_J) 1980
REAR SUSPENSION YZ80H
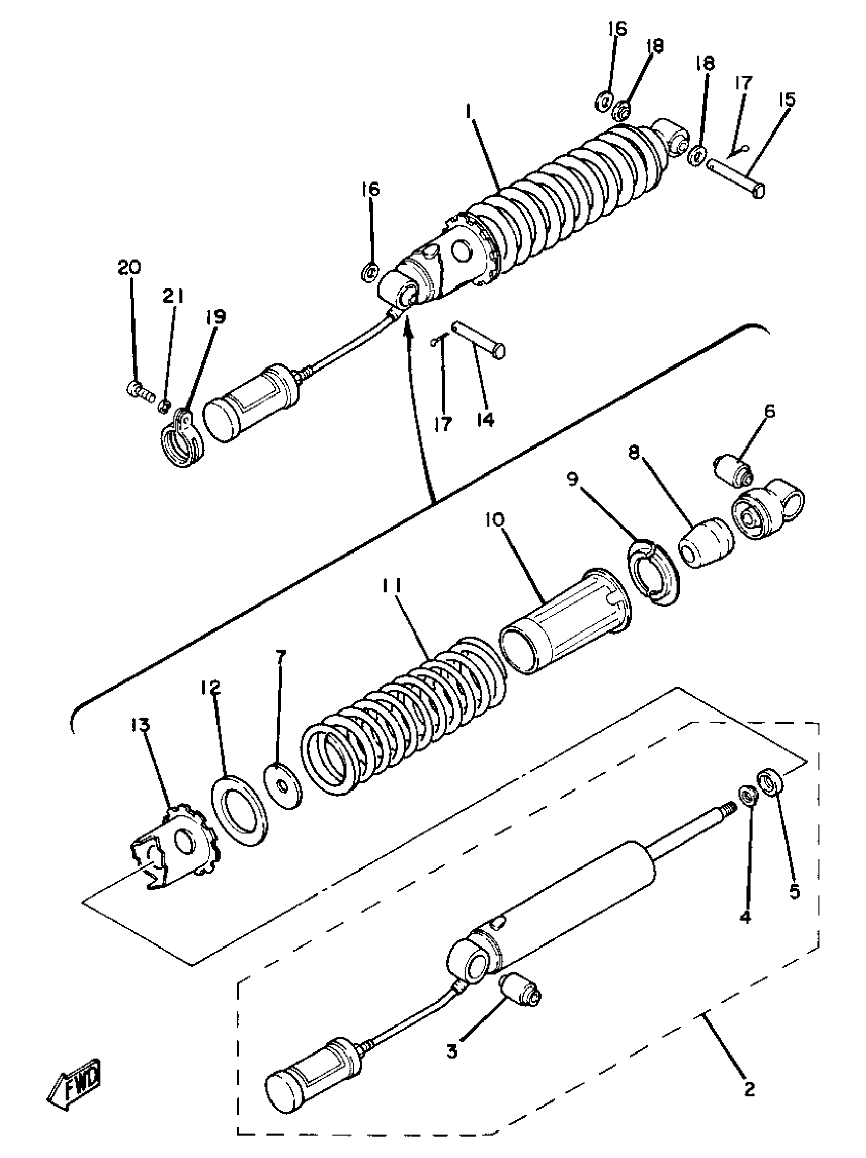
Yamaha YZ80G (YZ80G_H_J) 1980 REAR SUSPENSION YZ80H Diagram
#
Description
Price
1
SHK/ABS ASSEMBLY, REAR
(4V1-22210-00-00)
Unavailable
2
DAMPER SUB-ASSEMBLY.
(4V1-22401-00-00)
Unavailable
3
.. BUSH, RR SHOCK ABS
2X6-22216-00-00
Unavailable
4
. SEAL, DUST
29L-22475-00-00
Unavailable
5
. SEAL, DUST
29L-22475-00-00
Unavailable
6
.. BUSH, RR SHOCK ABS
2X6-22216-00-00
Unavailable
7
. CAP, CASE
38W-22472-01-00
Unavailable
8
BUMP, STOP
(2X6-22493-00-00)
Unavailable
9
. GUIDE, SPRING 1
3R1-22214-00-00
Unavailable
10
GUIDE, SPRING 2
(4V1-22224-00-00)
Unavailable
11
SPRING
(4V1-22212-00-00)
Unavailable
12
GUIDE, SPRING 3
(3R1-22234-00-00)
Unavailable
13
SPRING SEAT SB/ASSEMBLY
(3R1-22406-00-00)
Unavailable
14
PIN, CLEVIS
90240-10064-00
Unavailable
15
PIN, CLEVIS
90240-10073-00
Unavailable
16
WASHER, PLATE
92990-10600-00
Unavailable
17
PIN, COTTER
91490-25020-00
Unavailable
18
COVER, THRUST 2
2X6-22129-00-00
Unavailable
19
HOLDER, SUB TANK
4V1-22262-00-00
Unavailable
20
SCREW PAN HEAD
98580-06020-00
Unavailable
21
WASHER, PLAIN (646)
92990-06600-00
Unavailable
