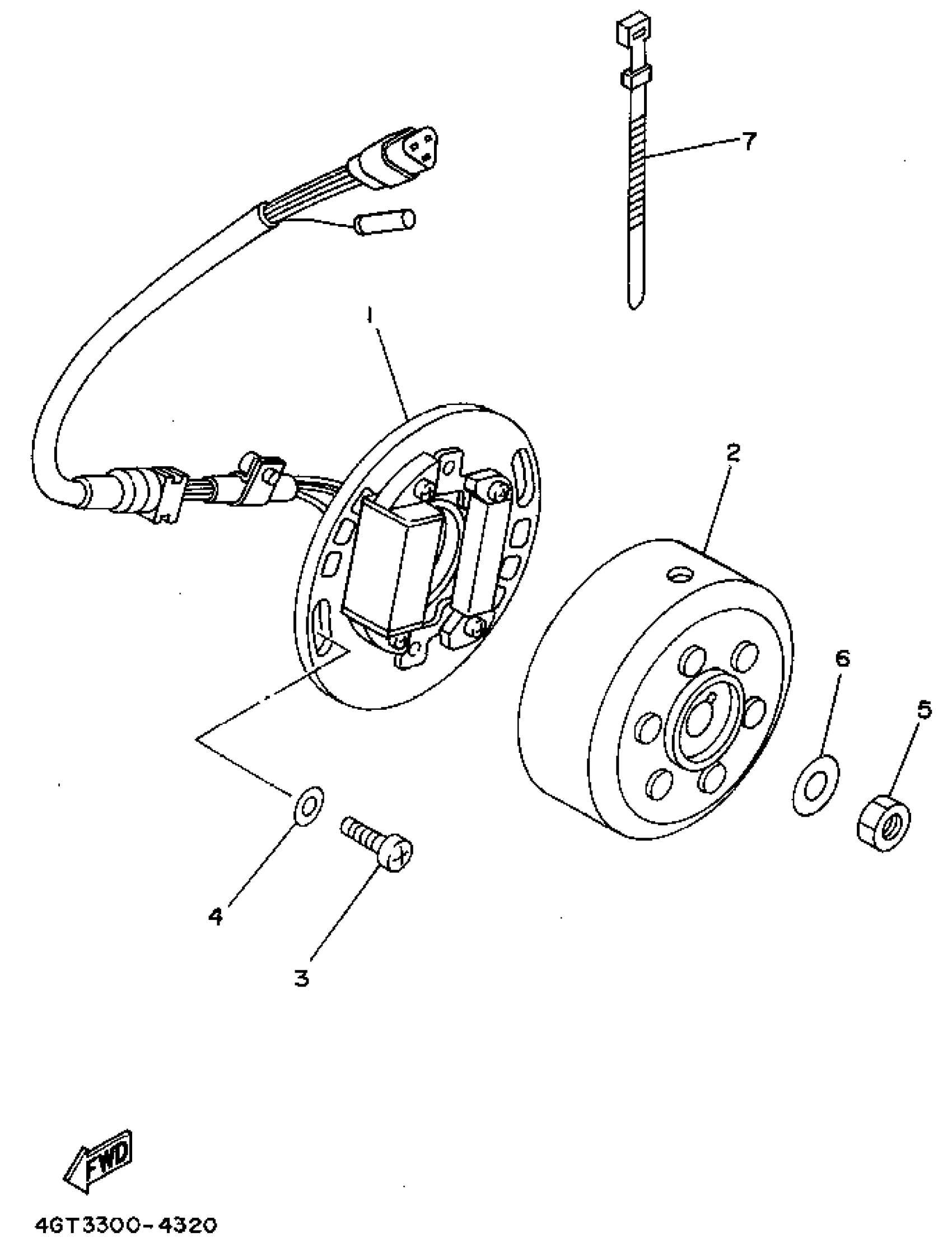
Partiron

Yamaha YZ80F1 (YZ80F1) 1994 GENERATOR Diagram

#

Description
Price

1

STATOR ASSEMBLY

4ES-85510-10-00

Unavailable

2

ROTOR ASSEMBLY

4ES-85550-00-00

Unavailable

3

SCREW, PAN HEAD

98580-06016-00

Unavailable

4

WASHER, PLAIN (646)

92990-06600-00

$2.80

5

NUT(3BM)

95314-10600-00

$2.39

6

WASHER, PLATE (3L6)

90201-10774-00

$9.49

7

BAND, SWITCH CORD

437-83936-01-00

$7.99