Partiron

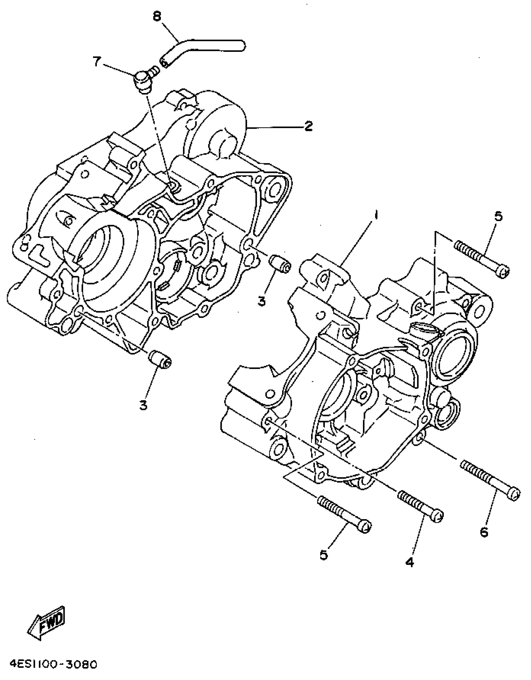
Yamaha YZ80F1 (YZ80F1) 1994 CRANKCASE Diagram

#

Description
Price

1

CRANKCASE 1

99999-03277-00

Unavailable

2

CRANKCASE 2

4ES-15121-02-00

Unavailable

3

PIN, DOWEL(3VD)

99530-10114-00

$2.55

4

SCREW PAN HEAD

98580-06040-00

$8.49

5

SCREW PAN HEAD

98580-06550-00

$8.49

6

SCREW, BIND (JH1)

98580-06560-00

Unavailable

7

BREATHER

583-15371-00-00

$6.99

8

HOSE(3XP)

90446-07349-00

Unavailable