- Partiron
- OEM Parts
- Yamaha
- motorcycle
- 1977
- YZ80D (YZ80D_E_F) 1977
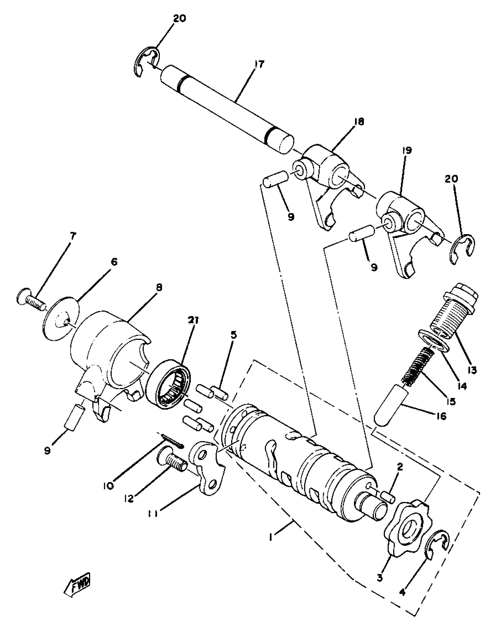
SHIFT CAM FORK YZ80F
Yamaha YZ80D (YZ80D_E_F) 1977 SHIFT CAM FORK YZ80F Diagram
#
Description
Price
1
SHIFT CAM ASSEMBLY
2X6-18540-00-00
Unavailable
3
PLATE, STOPPER
(2X6-18141-00-00)
Unavailable
4
CIRCLIP, OUTER
93440-12026-00
Unavailable
6
PLATE, SIDE 1
214-18561-00-00
Unavailable
8
FORK, SHIFT 1
(2X6-18511-00-00)
Unavailable
11
PLATE, STOPPER 2
353-18562-00-00
Unavailable
12
SCREW, OVAL HEAD (92701-06012)
98603-06012-00
Unavailable
15
SPRING, COMPRESSION
90501-09292-00
Unavailable
16
STOPPER, CAM
1J7-18547-00-00
Unavailable
17
NO LONGER AVAILABLE
2X6-18531-00-00
Unavailable
18
FORK, SHIFT 2
2X6-18512-00-00
Unavailable
19
FORK, SHIFT 3
2X6-18513-00-00
Unavailable
20
CIRCLIP
99006-10600-00
Unavailable
21
BRG,CYL-CAL ROLLER 18G KY
93315-23208-00
Unavailable
